返回
转换器
首页
>
了解产品
>
仪器仪表 自动化
>
自动化仪表及控制
>
转换器
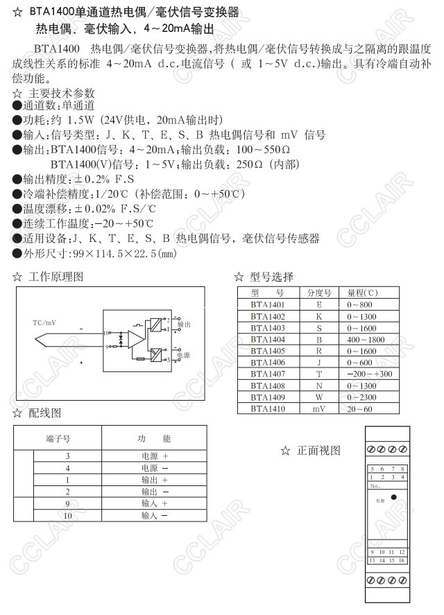
BTA1400,BTA1401,BTA1402,BTA1403,BTA1404,BTA1405,BT(KS)A1400,热电偶/毫伏信号转换器
2017-03-13 12:39
1612
信息概况
价格:
未填
型号:
BTA1400,BTA1401,BTA1402,BTA1403,BTA1404,BTA1405,BT(KS)A1400,
发货:
3天内
发送询价
BTA1400,BTA1401,BTA1402,BTA1403,BTA1404,BTA1405,BT(KS)A1400,热电偶/毫伏信号转换器
BTA1406,BTA1407,BTA1408,BTA1409,BTA14010,
联系方式
姓名:销售员(女士)
电话:
13861877712
地区:江苏-无锡市
地址:
无锡市会北路28-135
0
人关注
0
人点赞
举报
评分:
分
扫一扫访问当前网页
复制链接
二维码
短信
邮件
关闭
同类了解产品
QDA-L3型气电转换器
QD-L2型气电转换器
YT-940C11S,YT-940C11L,YT-940C12S,YT-940C12L,电气转换器(防爆型)
YT-930n11S,YT-930n11L,YT-930n12S,YT-930n12L,电气转换器
AHC32*50,AHC32*100,AHC32*200,AHC40*50,AHC40*100,AHC40*00,AHC50*50,AHC50*100,AHC50*200,AHC50*300,气液转换器
MF710,转换器
取消
发送询价
分享好友
了解产品首页
频道列表
我要评论