返回
电流电压表
首页
>
了解产品
>
仪器仪表 自动化
>
电力仪表及计时转速表
>
电流电压表
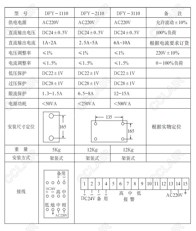
DFY-1110,DFY-2110,DFY-3110,DFY,电流箱
2017-03-13 12:38
1561
信息概况
价格:
未填
型号:
DFY-1110,DFY-2110,DFY-3110
发货:
3天内
发送询价
DFY-1110,DFY-2110,DFY-3110,DFY,电流箱
联系方式
姓名:销售员(女士)
电话:
13861877712
地区:江苏-无锡市
地址:
无锡市会北路28-135
0
人关注
0
人点赞
举报
评分:
分
扫一扫访问当前网页
复制链接
二维码
短信
邮件
关闭
同类了解产品
KR,KR-D,KR-A,KR-TA,KR-RS,KR-RT,KR-PM,KR-SP1,KR-T,四位智能显示控制表
DM,DM-D,DM-A,DM-RS,DM-PM,四位智能显示控制表
CS2-VA,CS2-VA-D,CS2-VA-A,CS2-VA-T,五位智能电流电压表
CS2-PR,CS2-PR-A1,CS2-PR-V1,CS2-PR-AV,CS2-PR-A0,CS2-PR-V0,五位直流信号控制表
CS2-RS,CS2-RS-R1,CS2-RS-R2,CS2-RS-R3,CS2-RS-R4,CS2-RS-R0,CS2-RS-R1-R2-N-N-A五位智能电阻表
CS2-PM,CS2-PM-P1,CS2-PM-P2,CS2-PM-PO,五位智能电位计表
取消
发送询价
分享好友
了解产品首页
频道列表
我要评论