输出:4-20mA DC 显示:液晶显示表头 电源:24V DC,无负载变送器可在12V DC工作,最高45V DC 相对湿度:0~100% 传感器容积变化量:小于0.16 cm3 重量:2.4Kg(不包括选件)
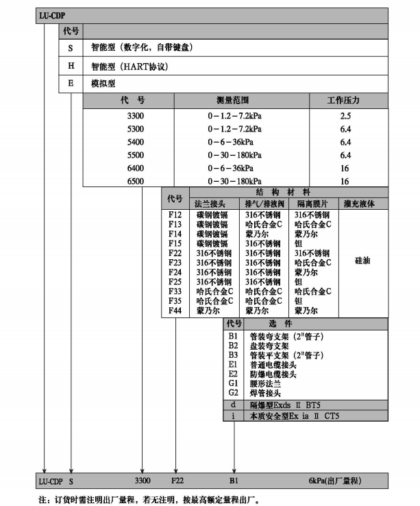
LU-CDPS-3300,LU-CDPS-5300,LU-CDPS-5400 LU-CDPS-5500,LU-CDPS-6400,LU-CDPS-6500