返回
压力控制器
首页
>
了解产品
>
仪器仪表 自动化
>
压力与隔离及控制
>
压力控制器
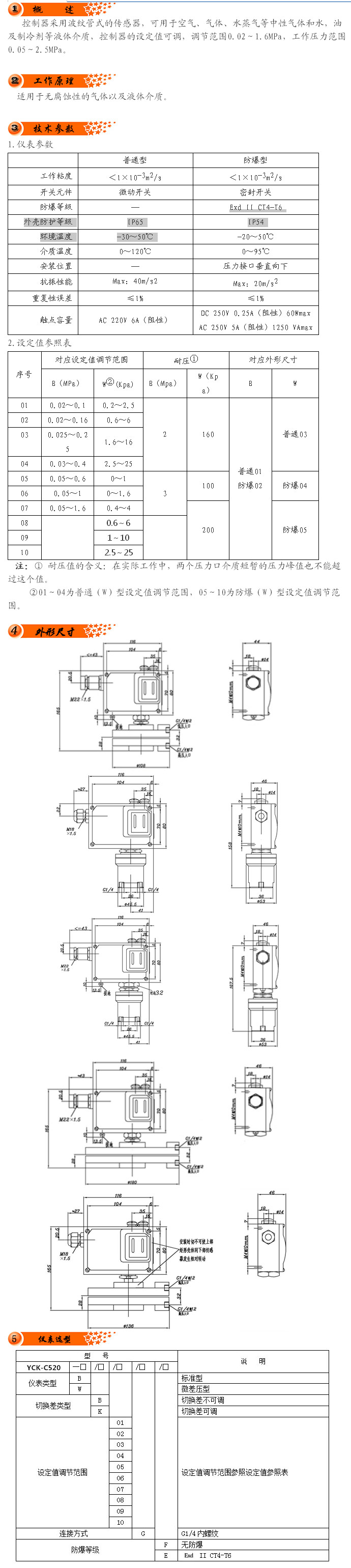
YCK-C520-B,YCK-C520-W,YCK-C520,通用型差压控制器
2017-03-11 12:36
1232
信息概况
价格:
未填
型号:
YCK-C520-B,YCK-C520-W,YCK-C520,通用型差压控制器
发货:
3天内
发送询价
YCK-C520-B,YCK-C520-W,YCK-C520,通用型差压控制器
联系方式
姓名:销售员(女士)
电话:
13861877712
地区:江苏-无锡市
地址:
无锡市会北路28-135
0
人关注
0
人点赞
举报
评分:
分
扫一扫访问当前网页
复制链接
二维码
短信
邮件
关闭
同类了解产品
YK306S,YK306FS,YK306,YK306F,YK6F,YK6,YK30F,YK30,YK30S,YK30FS,YK0.2,YK0.4,YK0.6,YK0.8,YK1.2,YK1.6,YK2.0,YK3.0压力控制器
PFS01,PFS01003AN,PES01005AN,PES01006AN,PES01008AN,压差式流量控制器
PFS02,PFS0230AA,PFS0270AA,PFS02100AA,PFS02200AA,压差式流量控制器
KBP2,KBP3,KBP6M,KBP6,KBP10,KBP6W-12S,KBP6W-12D,KBP760,低压压力控制器
KBP12D,KBP16D,KBP20D,KBP30D,KBP30,KBP30M,KBP45L,KBP45DL,高压压力控制器
KBP830,KBP830HM,KBP830HLM,KBP1245L,KBP1245LHM,KBP1245LHLM,高低压压力控制器
取消
发送询价
分享好友
了解产品首页
频道列表
我要评论