返回
热电偶/电阻
首页
>
了解产品
>
仪器仪表 自动化
>
智能与温度仪表
>
热电偶/电阻
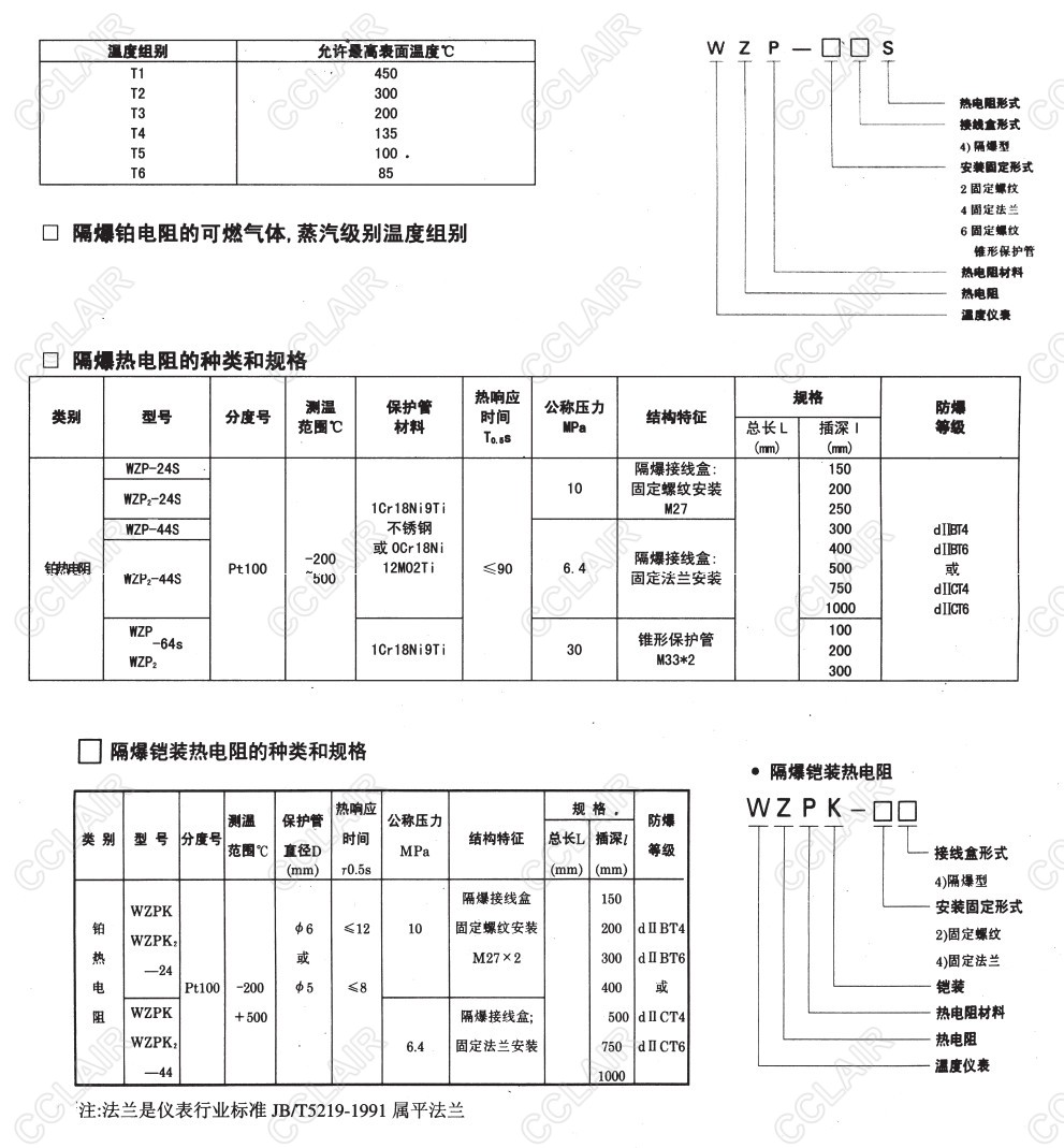
WZP-24S,WZP2-24S,WZP-44S,WZP2-44S,WZP-64S,WZP2-64S,WZPK-24,隔爆铂电阻
2017-03-11 12:12
652
信息概况
价格:
未填
型号:
WZP-24S,WZP2-24S,WZP-44S,WZP2-44S,WZP-64S,WZP2-64S,WZPK-24
发货:
3天内
发送询价
WZP-24S,WZP2-24S,WZP-44S,WZP2-44S,WZP-64S,WZP2-64S,WZPK-24,隔爆铂电阻
WZPK2-24,WZPK-44,WZPK2-44,
联系方式
姓名:销售员(女士)
电话:
13861877712
地区:江苏-无锡市
地址:
无锡市会北路28-135
0
人关注
0
人点赞
举报
评分:
分
扫一扫访问当前网页
复制链接
二维码
短信
邮件
关闭
同类了解产品
R5-TS/R5T-TS,R5-TS2W/Q,R5-TS1S,R5-TS1W,R5-TS2S,R5-TS2W热电偶信号输入
R5-RS/R5T-RS,R5-RS2W/Q,R5-RS1S,R5-RS1W,R5-RS2S,R5-RS2W,热电阻信号输入模块
R5-TS1A,R5-TS1AW/Q,R5-TS1AS/Q,R5-TS1AW/Q,热电偶信号输入模块
R5-RS1A,热电阻信号输入模块
R1M-GH,R1M-GH2T-M2/Q,R1M-GH2T-R/Q直流/热电偶 16点输入模块
R1MS-GH3,R1MS-GH3T-M2,R1MS-GH3T-BR3,R1MS-GH3T-R,通道相互间完全隔离直流直 流/热电偶 8点输入模块
取消
发送询价
分享好友
了解产品首页
频道列表
我要评论