HM8-C3-2.5t-6B,HM8-C3-3.0t-6B,HM8-C3-3t-6B,HM8-C3-5.0t-6B,
◆合金钢材料,单剪切梁结构。 ◆防护等级IP68 ◆适用于电子平台秤、料斗秤等各类电子称重设备。 推荐选择型号:
额定载荷
t
1/2/2.5/3/5/10/15/20/25/30
精度
C3
最大检定分度数
n max
3000
最小检定分度值
v min
Emax/10000
综合误差
(%FS)
≤±0.020
蠕变
(%FS/30min)
≤±0.016
温度对输出灵敏度的影响
(%FS/10℃)
≤±0.011
温度对零点输出的影响
≤±0.015
输出灵敏度
(mv/v)
2.0±0.002
输入阻抗
(Ω)
400±10
输出阻抗
351±2
绝缘阻抗
(MΩ)
≥5000(100VDC)
零点输出
≤±1.0
温度补偿范围
(℃)
-10~+40
允许使用温度范围
-35~+65
推荐激励电压
(V)
5~12(DC)
最大激励电压
18(DC)
安全过载范围
150
极限过载范围
300
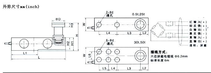
尺寸
H1
H2
H3
D
d
W
L
L1
L2
L3
L4
L5
1~2t
57.9 (2.28)
43 (1.69)
37 (1.47)
5 (0.2)
35 (1.38)
13 (0.51)
203 (7.99)
95 (3.74)
22 (0.87)
98 (3.86)
64 (2.52)
/
2.5t
15 (0.59)
3t
62.9 (2.48)
5t
78.7 (3.1)
52 (2.05)
48 (1.89)
8 (0.31)
42 (1.65)
21 (0.83)
235 (9.25)
110 (4.33)
124 (4.88)
66 (2.6)
10t,15t
127.7 (5.03)
67 (2.64)
60 (2.36)
12 (0.47)
57 (2.24)
28 (1.10)
279 (10.98)
133 (5.24)
32 (1.26)
140 (5.51)
82 (3.23)
20t,25t
143.5 (5.65)
82.5 (3.25)
70 (2.76)
34 (1.34)
318 (12.52)
153 (6.02)
38 (1.5)
159 (6.26)
89 (3.5)
30t
174 (6.85)
115 (4.53)
90 (3.54)
18 (0.71)
26 (1.02)
96 (3.78)
374 (14.72)
189 (7.44)
44.5 (1.75)
181 (7.13)
76 (2.99)
51 (2.01)
46 (1.81)