BM14A-C3-60t-13B6,BM14A-C3-100t-13B6
◆不锈钢材料,四柱式结构,焊接密封,压向承载。 ◆防护等级IP68 ◆防雷击可达一万伏,适用于试验机、平台秤、料斗秤及各类电子称重设备。 推荐选择型号:
BM14A-C3-xxt-xB-SC
额定载荷
t
5/10/25/40/60/100
精度
C3
最大检定分度数
n max
3000
最小检定分度值
v min
Emax/10000
综合误差
(%FS)
≤±0.020
蠕变
(%FS/30min)
≤±0.016
温度对输出灵敏度的影响
(%FS/10℃)
≤±0.011
温度对零点输出的影响
≤±0.015
输出灵敏度
(mv/v)
2.0±0.002
输入阻抗
(Ω)
450±4.5
输出阻抗
480±4.8
绝缘阻抗
(MΩ)
≥5000(50VDC)
零点输出
≤±1.0
温度补偿范围
(℃)
-10~+40
允许使用温度范围
-35~+70
推荐激励电压
(V)
5~12(DC)
最大激励电压
18(DC)
安全过载范围
150
极限过载范围
300
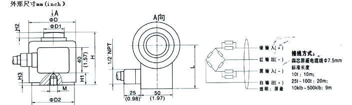
H
10t,25t
82.5 (3.3)
40t,60t
105 (4.1)
59 (2.3)
83 (3.3)
127.0 (5.0)
33 (1.3)
9 (0.4)
12 (0.5)
87 (3.4)
100t
184 (7.2)
22 (0.9)
100k
70 (2.8)
229 (9)
25 (1.0)