◆合金钢材料,镀镍,S型结构,胶封,拉向或压向承载。 ◆防护等级IP67 ◆适用于吊钩秤、机改秤、料斗秤等各类电子称重设备。 推荐选择型号:
H3-xx-xxkg-3B
额定载荷
t
0.025/0.05/0.1/0.25/0.5/0.75/1/1.5/2/2.5/5
lb
100/150/200/250/500/750/1K/1.5K/2K/2.5K/3K/5K/7.5K/10K/15K/20K
精度
C3
C4
最大检定分度数
n max
3000
4000
III5000单只
III10000单只
最小检定分度值
v min
Emax/10000
Emax/14000
Emax/15000
综合误差
(%FS)
≤±0.020
≤±0.018
≤±0.035
蠕变
(%FS/30min)
≤±0.016
≤±0.012
≤±0.030
温度对输出灵敏度的影响
(%FS/10℃)
≤±0.011
≤±0.009
温度对零点输出的影响
≤±0.015
≤±0.010
输出灵敏度
(mv/v)
3.0±0.008(英制)
输入阻抗
(Ω)
350±3.5
输出阻抗
351±2
绝缘阻抗
(MΩ)
≥5000(50VDC)
零点输出
≤±1.0(英制)
温度补偿范围
(℃)
-10~+40
允许使用温度范围
-35~+70
推荐激励电压
(V)
5~12(DC)
最大激励电压
18(DC)
安全过载范围
150
极限过载范围
300
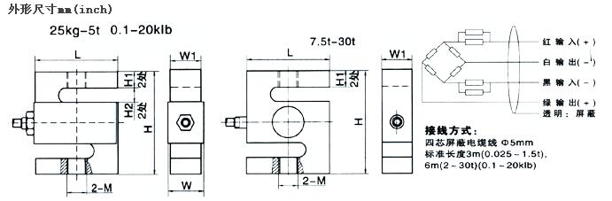
量程
H
L
W1
W
H1
M
25kg,50㎏
76.2(3.0)
50.8(2.0)
12.7(0.5)
16.1(0.63)
15.7(0.62)
M8
0.1t~0.15t
19.0(0.7)
22.4(0.88)
/
M10×1.5
0.2t~0.75t
M12×1.75
1t,1.5t
25.4(1.0)
28.8(1.13)
2t~5t
101.6(4.0)
20(0.79)
M20×1.5
7.5t,10t
175(6.9)
125(4.9)
50(1.97)
M33×3
15t
200(7.9)
160(6.3)
60(2.36)
39.5(1.56)
M42×3
30t
230(9.1)
190(7.5)
80(3.15)
57.5(2.26)
100lb~300lb
63.5(2.5)
15.9(0.63)
1/4—28UNF
500lb-1.5klb
19.05(0.75)
22.25(0.88)
1/2—20UNF
2klb,2.5klb
28.6(1.13)
3klb
5klb,10klb
3/4—16UNF
15klb
139.7(5.5)
31.8(1.25)
35(1.38)
1—14UNS
20klb
177.8(7.0)
127(5.0)
54(2.13)
5/4—12UNF