返回
隔离器
首页
>
了解产品
>
仪器仪表 自动化
>
压力与隔离及控制
>
隔离器
KLP-3111,KLP-3112,KLP-3113,KLP-311,信号隔离处理器(一入一出)
2017-03-09 18:55
1096
信息概况
价格:
未填
型号:
KLP-3111,KLP-3112,KLP-3113,KLP-311,信号隔离处理器(一入一出)
发货:
3天内
发送询价
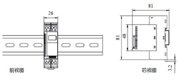
KLP-3111,KLP-3112,KLP-3113,KLP-311,信号隔离处理器(一入一出)
系列简介及说明
I 小型插装式构造的数字式信号隔离处理器
I “输入-输出-电源”互相隔离
I 带电源指示灯
I 带输出信号零点和满度调整
I 可高密度安装
联系方式
姓名:销售员(女士)
电话:
13861877712
地区:江苏-无锡市
地址:
无锡市会北路28-135
0
人关注
0
人点赞
举报
评分:
分
扫一扫访问当前网页
复制链接
二维码
短信
邮件
关闭
同类了解产品
KCD2-SCD-1,模拟量输出信号调节器
KFD0-CS-2.51P,模拟量输出信号调节器
KFD2-SCD2-1.LK,模拟量输出信号调节器
KFD2-SCD2-2.LK,模拟量输出信号调节器
S1SD-1AI-1U.2,SC(紧凑型)
S1SD-1AI-1U.3,SC(紧凑型)
取消
发送询价
分享好友
了解产品首页
频道列表
我要评论