HD214-12,HD214-23,HD214-34,HD214-45,HD214-56,HD214-78,HD214-QQ,HD214,一入二出电阻变送器
概述:HD214一入二出电阻信号隔离器是一种将电阻值信号隔离转换成2路直流信号输出的仪器。该变送器输入/输出/电源/各通道间多方全隔离,抗干扰,输入、输出选择范围宽,准确度高,标准导轨安装便于检测与维护。广泛用于电力、石油化工、污水处理等领域的数据采集、信号传输转换和DCS集散控制系统。
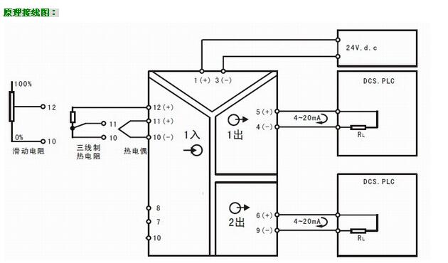
HD214电阻信号处理器与各种滑线电阻器等配套,完成取回参数信号、隔离转换输出的工作。隔离输出的信号可接入数显控制仪、PLC、变频器等设备,并对终端接收设备起保护作用。该变送器采用了最先进的数字化技术,具备了传统模拟仪表所不具备的多项先进性能,即使在大功率变频控制系统中依然能够可靠应用;同时,数字化技术的应用有效提高了隔离转换精度;内部采用数字化调校、无需零点及满度调整、自动动态零点校准、温度漂移自动补偿等诸多先进技术。
产品特点:
◇ 输将1路直流信号隔离分配为2路信号输出
◇ 输入/输出/电源之间全隔离,超强抗干扰能力
◇ 采用最先进的数字化技术,线性好,精度高
◇ SMT表贴工艺及厚膜集成技术,可靠稳定
◇ 自动零点自动校准,自动温度补偿技术
◇ 标准DIN35导轨安装,装卸方便,适合密集安装
◇ 体积小巧,外形美观,配电、隔离与变送一体
◇ 带电源指示灯和线路故障指示灯
选型及定货代码:
型 号:HD214-[输入代码]/[输出代码]
|
名称
|
基本型号
|
输入种类
|
输出种类
|
供电24V
|
|
输入代码
|
输入信号
|
输出代码
|
输出信号
|
|
电阻信号变送器
(一入二出)
|
HD214-
|
1
2
3
4
5
6
7
8
9
Q
|
0~100Ω
0~200Ω
0~500Ω
0~1KΩ
0~2KΩ
0~3KΩ
0~5KΩ
0~6KΩ
0~10KΩ
其它
|
1
2
3
4
5
6
7
8
9
Q
|
0~100mv
0~10mA
0~20mA
4~20mA
0~5V
0~10V
1~5V
-5V~+5V
-10V~+10V
其它
|
(1)输入和输出可以任意组合;特殊代码请向我们确认并用Q表示
(2)选型举例: HD214-54表示,输入1路 0~2KΩ ;输出2路 4~20mA
|
HD214电阻变送器技术规格:输入/输出/电源、输出与输出之间多方全隔离,超强抗干扰
|
|
精确度
|
±0.1~0.2%FS
|
|
输入信号(1路)
|
0~10KΩ内任意量程
|
|
输出信号(2路)
|
0~100mV,0~5V,0~10V,4~20mA,0~20mA,±5V,±10V等
|
|
输入阻抗
|
≥100K(电压输入);≤50Ω(电流输入)
|
|
输出负载
|
≥5K(电压输出);≤ 350Ω(电流输出)
|
|
辅助电源
|
DC24V
|
|
安装导轨
|
标准DIN35
|
|
外形尺寸
|
103×85×23 mm
|
|
频率响应
|
≤2000 HZ
|
|
使用温度
|
-10~60℃
|
|
贮存温度
|
-20~70℃
|
|
温度系数
|
150ppm/℃
|
|
温度补偿
|
数字化技术,自动温度补偿
|
|
零位校准
|
数字化技术,自动零校准
|
|
最大相对湿度
|
90% (不结露)
|
|
隔离电压
|
1500VDC(1分钟)
|

HD214-11,HD214-12,HD214-13,HD214-14,HD214-15,HD214-16,HD214-17,HD214-18,HD214-19,
HD214-21,HD214-22,HD214-23,HD214-24,HD214-25,HD214-26,HD214-27,HD214-28,HD214-29,
HD214-31,HD214-32,HD214-33,HD214-34,HD214-35,HD214-36,HD214-37,HD214-38,HD214-39,
HD214-41,HD214-42,HD214-43,HD214-44,HD214-45,HD214-46,HD214-47,HD214-48,HD214-49,
HD214-51,HD214-52,HD214-53,HD214-54,HD214-55,HD214-56,HD214-57,HD214-58,HD214-59,
HD214-61,HD214-62,HD214-63,HD214-64,HD214-65,HD214-66,HD214-67,HD214-68,HD214-69,
HD214-71,HD214-72,HD214-73,HD214-74,HD214-75,HD214-76,HD214-77,HD214-78,HD214-79,
HD214-81,HD214-82,HD214-83,HD214-84,HD214-85,HD214-86,HD214-87,HD214-88,HD214-89,
HD214-91,HD214-92,HD214-93,HD214-94,HD214-95,HD214-96,HD214-97,HD214-98,HD214-99,