HD221-12,HD221-34,HD221-45,HD221-56,HD221-67,HD221-78,HD221-QQ,HD221,双路信号隔离器
概述: HD221双路信号隔离器是一种将2组直流信号进行隔离转换输出的仪器。该变送器输入/输出/电源/各通道间多方全隔离,抗干扰,输入、输出选择范围宽,准确度高,标准导轨安装便于检测与维护。广泛用于电力、石油化工、污水处理等领域的数据采集、信号传输转换和DCS集散控制系统。
HD221信号处理器与各种温度变送器、流量变送器、压力变送器、液位变送器等配套,完成取回参数信号、隔离转换输出的工作。隔离输出的信号可接入数显控制仪、PLC、变频器等设备,并对终端接收设备起保护作用。该变送器采用了最先进的数字化技术,具备了传统模拟仪表所不具备的多项先进性能,即使在大功率变频控制系统中依然能够可靠应用;同时,数字化技术的应用有效提高了隔离转换精度;内部采用数字化调校、无需零点及满度调整、自动动态零点校准、温度漂移自动补偿等诸多先进技术
产品特点:
◇ 双路信号输入,双路信号隔离输出
◇ 输入/输出/电源之间全隔离,超强抗干扰能力
◇ 采用最先进的数字化技术,线性好,精度高
◇ SMT表贴工艺及厚膜集成技术,可靠稳定
◇ 自动零点自动校准,自动温度补偿技术
◇ 标准DIN35导轨安装,装卸方便,适合密集安装
◇ 体积小巧,外形美观,配电、隔离与变送一体
◇ 带电源指示灯和线路故障指示灯
技术参数及选型
型 号:HD221-[输入代码]/[输出代码]
|
名称
|
基本型号
|
输入种类
|
输出种类
|
供电
|
|
|
输入代码
|
输入信号
|
输出代码
|
输出信号
|
|
|
双路隔离器
|
HD221-
|
1/
2/
3/
4/
5/
6/
7/
8/
9/
Q/
|
0~100mv
0~10mA
0~20mA
4~20mA
0~5V
0~10V
1~5V
-5V~+5V
-10V~+10V
其它
|
1/
2/
3/
4/
5/
6/
7/
8/
9/
Q/
|
0~100mv
0~10mA
0~20mA
4~20mA
0~5V
0~10V
1~5V
-5V~+5V
-10V~+10V
其它
|
|
|
24V
|
|
(1)输入和输出可以任意组合;特殊信号用Q表示,定货时请向我们确认
(2)选型举例:HD221-44表示,输入2路4~20mA;输出2路0~20mA
|
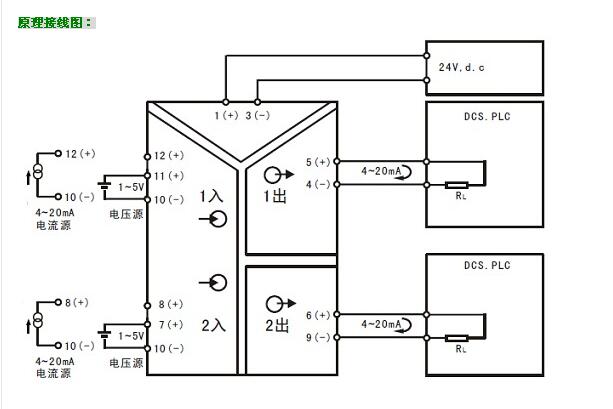
HD221隔离变送器技术规格: 输入/输出/电源/输出与输出之间多方全隔离
|
|
精确度
|
±0.1~0.2%FS
|
|
输入信号(2路)
|
0~20mV,0~100mV,0~5V,0~10V,4~20mA,0~20mA,±5V,±10V等
|
|
输出信号(2路)
|
0~100mV,0~5V,0~10V,4~20mA,0~20mA,±5V,±10V等
|
|
输入阻抗
|
≥100K(电压输入);≤50Ω(电流输入)
|
|
输出负载
|
≥5K(电压输出);≤ 350Ω(电流输出)
|
|
辅助电源
|
24V
|
|
安装导轨
|
标准DIN35
|
|
外形尺寸
|
103×85×23 mm
|
|
频率响应
|
≤2000 HZ
|
|
使用温度
|
-10~60℃
|
|
贮存温度
|
-20~70℃
|
|
温度系数
|
150ppm/℃
|
|
温度补偿
|
数字化技术,自动温度补偿
|
|
零位校准
|
数字化技术,自动零点校准
|
|
最大相对湿度
|
90% (不结露)
|
|
隔离电压
|
1500VDC(1分钟)
|

HD221-11,HD221-12,HD221-13,HD221-14,HD221-15,HD221-16,HD221-17,HD221-18,HD221-19,
HD221-21,HD221-22,HD221-23,HD221-24,HD221-25,HD221-26,HD221-27,HD221-28,HD221-29,
HD221-31,HD221-32,HD221-33,HD221-34,HD221-35,HD221-36,HD221-37,HD221-38,HD221-39,
HD221-41,HD221-42,HD221-43,HD221-44,HD221-45,HD221-46,HD221-47,HD221-48,HD221-49,
HD221-51,HD221-52,HD221-53,HD221-54,HD221-55,HD221-56,HD221-57,HD221-58,HD221-59,
HD221-61,HD221-62,HD221-63,HD221-64,HD221-65,HD221-66,HD221-67,HD221-68,HD221-69,
HD221-71,HD221-72,HD221-73,HD221-74,HD221-75,HD221-76,HD221-77,HD221-78,HD221-79,
HD221-81,HD221-82,HD221-83,HD221-84,HD221-85,HD221-86,HD221-87,HD221-88,HD221-89,
HD221-91,HD221-92,HD221-93,HD221-94,HD221-95,HD221-96,HD221-97,HD221-98,HD221-99,