HD224-12,HD224-23,HD224-34,HD224-56,HD224-67,HD224-78,HD224-QQ,HD224,双路电阻变送器
概述: HD224双路电阻信号隔离器是一种将2路电阻值信号隔离转换成2组直流信号输出的仪器。该变送器输入/输出/电源/各通道间多方全隔离,抗干扰,输入、输出选择范围宽,准确度高,标准导轨安装便于检测与维护。广泛用于电力、石油化工、污水处理等领域的数据采集、信号传输转换和DCS集散控制系统。
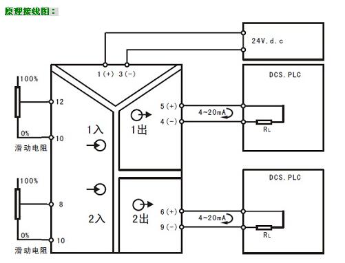
HD224电阻信号处理器与各种滑线电阻器等配套,完成取回参数信号、隔离转换输出的工作。隔离输出的信号可接入数显控制仪、PLC、变频器等设备,并对终端接收设备起保护作用。该变送器采用了最先进的数字化技术,具备了传统模拟仪表所不具备的多项先进性能,即使在大功率变频控制系统中依然能够可靠应用;同时,数字化技术的应用有效提高了隔离转换精度;内部采用数字化调校、无需零点及满度调整、自动动态零点校准、温度漂移自动补偿等诸多先进技术。
产品特点:
◇ 双路电阻信号输入,双路标准信号隔离输出
◇ 输入/输出/电源之间全隔离,超强抗干扰能力
◇ 采用最先进的数字化技术,线性好,精度高
◇ SMT表贴工艺及厚膜集成技术,可靠稳定
◇ 自动零点自动校准,自动温度补偿技术
◇ 标准DIN35导轨安装,装卸方便,适合密集安装
◇ 体积小巧,外形美观,配电、隔离与变送一体
◇ 带电源指示灯和线路故障指示灯
技术参数及选型:
型 号:HD224-[输入代码]/[输出代码]
|
名称
|
基本型号
|
输入种类 *
|
输出种类 *
|
供电
|
|
|
输入代码
|
输入信号
|
输出代码
|
输出信号
|
|
|
双路电阻变送器
|
HD224-
|
1/
2/
3/
4/
5/
6/
7/
8/
9/
Q/
|
0~100Ω
0~200Ω
0~500Ω
0~1000Ω
0~2000Ω
0~3000Ω
0~5000Ω
0~6000Ω
0~10KΩ
其它
|
1/
2/
3/
4/
5/
6/
7/
8/
9/
Q/
|
0~100mv
0~10mA
0~20mA
4~20mA
0~5V
0~10V
1~5V
-5V~+5V
-10V~+10V
其它
|
|
|
24V
|
|
(1)输入和输出可以任意组合;特殊信号用Q表示,定货时请向我们确认
(2)选型举例:HD224-44表示,输入2路 0~1000Ω;输出2路 0~20mA
|
HD224隔离变送器技术规格: 输入/输出/电源/输出与输出之间多方全隔离,超强抗干扰能力
|
|
精确度
|
±0.1~0.2%FS
|
|
输入信号(2路)
|
0~10KΩ内任意量程
|
|
输出信号(2路)
|
0~5V,0~10V,4~20mA,0~20mA,±5V,±10V等
|
|
输入阻抗
|
≥100K(电压输入);≤50Ω(电流输入)
|
|
输出负载
|
≥5K(电压输出);≤ 350Ω(电流输出)
|
|
辅助电源
|
24V
|
|
安装导轨
|
标准DIN35
|
|
外形尺寸
|
103×85×23 mm
|
|
频率响应
|
≤2000 HZ
|
|
使用温度
|
-10~60℃
|
|
贮存温度
|
-20~70℃
|
|
温度系数
|
150ppm/℃
|
|
温度补偿
|
数字化技术,自动温度补偿
|
|
零位校准
|
数字化技术,自动零点校准
|
|
最大相对湿度
|
90% (不结露)
|
|
隔离电压
|
1500VDC(1分钟)
|

HD224-11,HD224-12,HD224-13,HD224-14,HD224-15,HD224-16,HD224-17,HD224-18,HD224-19,HD224-1Q,
HD224-21,HD224-22,HD224-23,HD224-24,HD224-25,HD224-26,HD224-27,HD224-28,HD224-29,HD224-2Q,
HD224-31,HD224-32,HD224-33,HD224-34,HD224-35,HD224-36,HD224-37,HD224-38,HD224-39,HD224-3Q,
HD224-41,HD224-42,HD224-43,HD224-44,HD224-45,HD224-46,HD224-47,HD224-48,HD224-49,HD224-4Q,
HD224-51,HD224-52,HD224-53,HD224-54,HD224-55,HD224-56,HD224-57,HD224-58,HD224-59,HD224-5Q,
HD224-61,HD224-62,HD224-63,HD224-64,HD224-65,HD224-66,HD224-67,HD224-68,HD224-69,HD224-6Q,
HD224-71,HD224-72,HD224-73,HD224-74,HD224-75,HD224-76,HD224-77,HD224-78,HD224-79,HD224-7Q,
HD224-81,HD224-82,HD224-83,HD224-84,HD224-85,HD224-86,HD224-87,HD224-88,HD224-89,HD224-8Q,
HD224-91,HD224-92,HD224-93,HD224-94,HD224-95,HD224-96,HD224-97,HD224-98,HD224-99,HD224-9Q,
HD224-Q1,HD224-Q2,HD224-Q3,HD224-Q4,HD224-Q5,HD224-Q6,HD224-Q7,HD224-Q8,HD224-Q9,HD224-QQ,