HDK700-H1,HDK700-H2,HDK700-H3,HDK700-M1,HDK700-M2,HDK700-M3,HDK700,智能压力变送器
概述: HDK700智能压力变送器是引进美国先进的技术工艺,采用高性能全焊接压力芯体和Ti专用芯片并给合微处理技术研发而成,精湛的不锈钢全封焊结构和完善的装配工艺,使产品具有良好的防潮性能和优良的介质兼容性;电路部分的关键元器件、压力敏感芯子均选用国际著名品牌,利用专用线性放大芯片进行放大及线性化,具有现场显示、数据处理、零点、量程软件调整,设置参数永久保存,4-20MA输出及HART通讯等功能,处理高精度,抗干扰、抗过载、抗冲击能力强。
HDK700智能压力变送器,广泛运用于冶金、航空航天、石油化工、电力等液压自动化控制领域,可用来测量水、油类、工业液体等多种介质压力。
技术参数:
1. 测量范围:0-60Mpa-100 Mpa内各量程任选
2. 输 出:(1)Hart协议通讯 + 4—20mA;(2)RS485-MODBUS协议
3. 测量介质:对不锈钢无腐蚀的气体、液体介质
4. 显 示:LCD显示
5. 工作方式:绝压、表压
6. 工作温度:-30-85 ℃
7. 精 度:±0.25%FS,±0.5%FS
8. 供 电:24VDC
9. 过载能力:150 % F·S
10. 绝缘电阻:≥2000M欧
11. 振动影响:对于10HZ-1HZ的机械振动,输出变化小于±0.1%FS,耐振动
12. 温度补偿:-10--70℃,补偿值≤0.02% F·S/℃
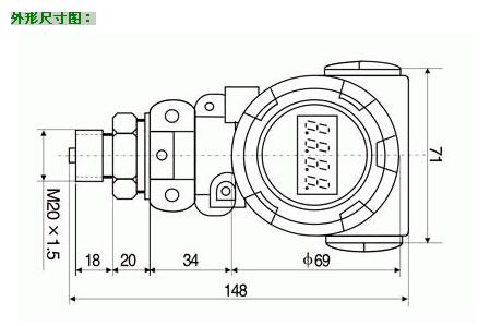
13. 连接螺纹:M20×1.5,其它可定制
14. 电气接口:防水接线盒出线
15. 标 识:采用激光打标,确保产品可永久追朔性
产品选型:
|
选 型
|
代 码 说 明
|
|
HDK700-
|
HART协议智能压力变送器
|
|
输出信号
|
H
|
4-20mA + Hart 协议通讯
|
|
M
|
RS485-Modbus协议通讯
|
|
精 度
|
1-
|
精度:0.1%FS
|
|
2-
|
精度:0.25%FS
|
|
3-
|
精度:0.5%FS
|
|
量 程
|
X
|
0-0.1Mpa, 0.6Mpa, 1.6Mpa, 10Mpa, 30Mpa,60Mpa
|
