SPB8100,SPB8101,SPB8110,SPB8111,SPB8100CNM1,SPB81,智能压力变送器
SPB81系列智能压力变送器采用16位单片机,其强大的功能和高速的运算能力保证了变送器基本的优良性能,整个设计框架着眼于可靠、稳定、高精度和智能化,满足日益提高的工业现场应用之要求。软件中采用了数字信号处理技术,使其具有优良的抗干扰能力和零点稳定性,且具备零点自动稳定跟踪能力(ZSC)和温度自动补偿能力(TSC),强大的界面功能无需手操器便可以保证良好的人机交互性。数字表头可以显示各种压力、液位高度及百分比,按键操作还可以方便地在无标准压力源的情况下完成零点迁移、量程设定、阻尼设定等基本参数设置,极大地方便了现场调试和用户的使用。
原理:被测介质压力通过隔离膜片、密封硅油传到扩散硅膜片上,同时参考端压力(大气压、绝对压力或密封压力)作用于另一侧,这样,加在膜片两端的压力差使膜片一侧压缩、一侧拉伸,位于膜片上的应变电阻因此而阻值改变,产生输出信号。膜片上的四个应变电阻连成惠斯通电桥,电桥由高稳定度恒流源供电。当有压力P加于传感器膜片时,每个桥臂电阻会变化相应的阻值△R,于是桥路输出电压信号△V,经过放大处理,经A/D转换输入计算机,通过计算机对传感器进行非线性和环境温度影响的测试,由计算机程序对信号进行线性化处理和温度补偿,根据量程的设置处理并计算输出;处理后的信号再经一级DA转换,得到与压力成正比的4~20mA的电流信号。由于计算机系统对温漂的校正和线性化误差进行修正,保证了整个电路在-25~+85℃的范围内稳定可靠的工作。
技术参数
| 基本误差 |
0.2%F·S 、0.5%F·S |
| 测量范围 |
0~5kPa及以上,负量程可以定制 |
| 输出 |
4~20mADC信号 |
| 线性度 |
0.2%FS |
| 工作温度 |
-25~+85℃ |
| 温度漂移 |
最大±0.02%FS/℃ |
| 长期稳定性 |
0.2%FS/12个月 |
| 变送器供电电源 |
12~36VDC |
| 负载电阻 |
0~600Ω |
| 过载极限 |
最大额定压力的2倍 |
| 存储温度 |
-40~+125℃ |
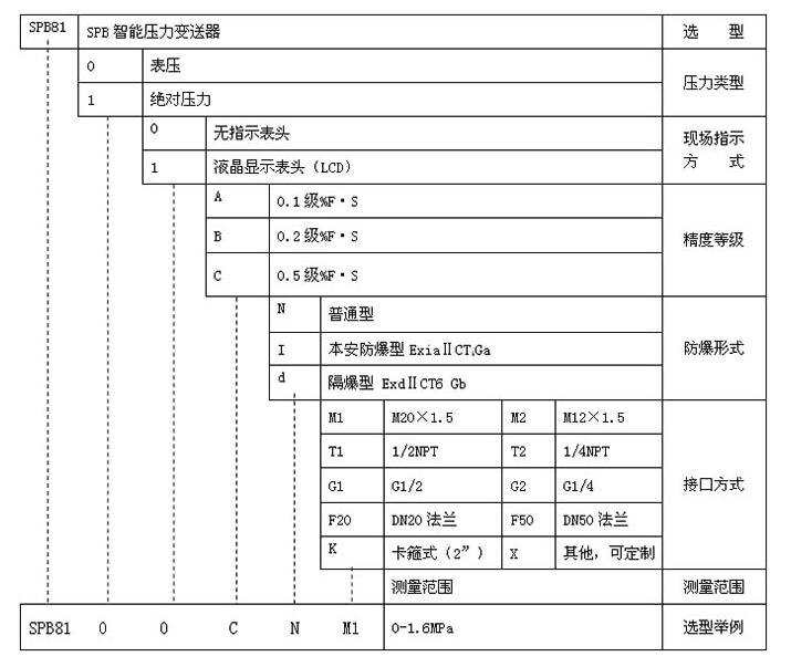
选型指导

选型示例
如上选型SPB8100CNM1 0-1.6MPa代表:智能型压力变送器,不带表头显示,安装螺纹为M20*1.5,精度0.5级,普通型,量程为0-1.6MPa。