返回
油路块
首页
>
了解产品
>
液压辅助元件
>
液压辅助元件
>
油路块
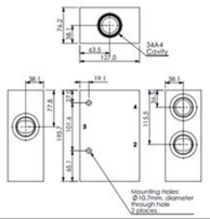
ML-34A4-G10-A11,ML-34A4-S10-A11,winner标准配管式油路板
2017-02-19 22:39
700
信息概况
价格:
未填
型号:
ML-34A4-G10-A11,ML-34A4-S10-A11,winner标准配管式油路板
发货:
3天内
发送询价
ML-34A4-G10-A11,ML-34A4-S10-A11,winner标准配管式油路板
联系方式
姓名:销售员 1646(先生)
电话:
13861877712
传真:0510-82306839
地区:江苏-无锡市
地址:
无锡市会北路28-135
QQ:
2355802921
0
人关注
0
人点赞
举报
评分:
分
扫一扫访问当前网页
复制链接
二维码
短信
邮件
关闭
同类了解产品
Northman台湾北部精机,叠加式油路块MB02-1E-1,MB02-1E-2,MB02-2E-1,MB02-2E-2,MB02-3E-1,MB02-3E-2,MB02-4E-1,MB02-4E-2,MB02-5E-1,MB02-5E-2,MB03-1E-1,MB03-1E-2,MB03-2E-1,MB03-2E-2,MB03-3E-1,MB03-3E-2,MB03-4E-1,MB03-4E-2,MB03-5E-1,MB03-5E-2
MK05ERX-11A3-13A2-A03-05,MK05ERX-11A3-PFC03-A03-05,MK05ERX-LR140-13A2-A03-05,MK05ERX-LR140-PFC03-A03
MK05EPX-11A3-13A2-A01-05,MK05EPX-11A3-PFC03-A01-05,MK05EPX-LR140-13A2-A01-05,MK05EPX-LR140-PFC03-A01
MK03ERX-11A3-13A2-A03-05,MK03ERX-11A3-PFC03-A03-05,MK03ERX-LR140-13A2-A03-05,MK03ERX-LR140-PFC03-A03
MK03EPX-11A3-13A2-A03,MK03EPX-11A3-PFC03-A03,MK03EPX-LP140-13A2-A03,MK03EPX-LP140-PFC03-A03,winner积层
ML-240-RPE-17A3-08W2-G08-A02,ML-240-RPE-RV0A-08W2-G08-A02,winner标准配管式油路板
取消
发送询价
分享好友
了解产品首页
频道列表
我要评论