返回
电磁换向阀
首页
>
了解产品
>
液压元件 液压阀
>
方向控制阀
>
电磁换向阀
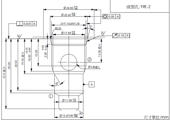
EP-19E-2A-11-N-05,EP-19E-2A-11-M-05,winner提動軸型電磁方向閥
2017-02-19 18:20
560
信息概况
价格:
未填
型号:
EP-19E-2A-11-N-05,EP-19E-2A-11-M-05,winner提動軸型電磁方向閥
发货:
3天内
发送询价
EP-19E-2A-11-N-05,EP-19E-2A-11-M-05,winner提動軸型電磁方向閥
联系方式
姓名:销售员 1646(先生)
电话:
13861877712
传真:0510-82306839
地区:江苏-无锡市
地址:
无锡市会北路28-135
QQ:
2355802921
0
人关注
0
人点赞
举报
评分:
分
扫一扫访问当前网页
复制链接
二维码
短信
邮件
关闭
同类了解产品
24BI1-H10B-T,24BI2-H10B-T,24BI3-H10B-T,24BO-H10B-T,24BH-H10B-T,24BY-H10B-T,24BM-H10B-T,24EI1-H10B-T,24EI2-H10B-T,24EI3-H10B-TM,24EO-H10B-T,24EH-H10B-T,24EY-H10B-T,24EM-H10B-T电磁换向阀
24GDBI1-H6B-T,24GDBI2-H6B-T,24GDBI3-H6B-T,24GDBM-H6B-T,24GDBO-H6B-T,24GDBH-H6B-T,24GDBY-H6B-T,24GDEI1-H6B-T,24GDEI2-H6B-T,24GDEI3-H6B-T,24GDEM-H6B-T,24GDEO-H6B-T,24GDEH-H6B-T,24GDEY-H6B-T液压阀
24EY*-L20H-T,24E1Y*-L20H-T,24BY*-L20H-T,24EY*-L32H-T,24E1Y*-L32H-T,24BY*-L32H-T,24EY*-B20H-T,24E1Y*-B20H-T,24BY*-B20H-T,24EY*-B32H-T,24E1Y*-B32H-T,24BY*-B32H-T,34EY*-L20H-T,34E1Y*-L20H-T,34BY*-L20H-T34EY*-L32H-T,34E1Y*-L32H-T,34BY*-L32H-T电液阀
24EO-F6B,24EO1-F6B,24EO-F6B-R,24EO1-F6B-R,24EXP-F6B,24EO-F6B-W,34EO-F6B,34EO1-F6B,34EO-F6B-W,34EO1-F6B-W,34EH-F6B,34EYX-F6B,24EO-F10B,24EO1-F10B,24EO-F10B-R,24EO1-F10B-R,24EXP-F10B,24EO-F10B-W,34EO-F10B,34EO1-F10B,34EO-F10B-W,34EO1-F10B-W液压阀
D1VW020BNJW,D1VW020BNTW,D1VW020HNJW,D1VW030BNTW,D1VW030BNJW,D1VW1CNJW,D1VW2CNJW,D1VW4CNJW,D1VW8CNJW,D1VW001CNJW,D1VW001CNTW,D1VW002CNJW,D1VW002CNTW,D1VW004CNJW,D1VW004CNTW,D1VW009CNJW,D1VW020DNJW,D3W20BNJW 648液压阀
BDG4V-3-2A-M-U,BDG4V-3-2C-M-U,BDG4V-3-6C-M-U,BDG4V-3-8C-M-U,BDG4V-5-2A-M-U,BDG4V-5-2C-M-U,BDG4V-5-6C-M-U,BDG4V-5-8C-M-U,DG4V-3-2C,DG4V-3-0C,DG4V-3-7C,DG4V-3-6C,DG4V-3-3C,DG4V-3-8C,DG4V-3-2N,DG4V-3-0A液压阀
取消
发送询价
分享好友
了解产品首页
频道列表
我要评论