返回
轴向柱塞泵
首页
>
了解产品
>
油泵 齿轮泵 组合泵
>
柱塞泵及泵组
>
轴向柱塞泵
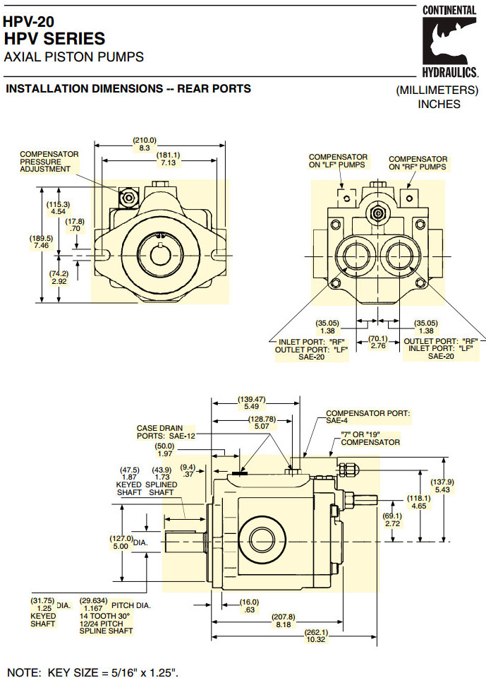
HPV-20B35,CONTINENTAL轴向柱塞泵
2017-02-15 12:10
1355
信息概况
价格:
未填
型号:
HPV-20B35,CONTINENTAL轴向柱塞泵
发货:
3天内
发送询价
HPV-20B35,CONTINENTAL轴向柱塞泵
联系方式
姓名:销售员 1652(先生)
电话:
13861877712
传真:0510-82328771
地区:江苏-无锡市
地址:
无锡市会北路28-135
QQ:
2355802919
0
人关注
0
人点赞
举报
评分:
分
扫一扫访问当前网页
复制链接
二维码
短信
邮件
关闭
同类了解产品
HPV-6B35,CONTINENTAL轴向柱塞泵
HPV-10B35,CONTINENTAL轴向柱塞泵
HPV-15B35,CONTINENTAL轴向柱塞泵
AP2VO71CLN,液压轴向柱塞泵
AP3VO95CDLN,液压轴向柱塞泵
AP4VO112TE,液压轴向柱塞泵
取消
发送询价
分享好友
了解产品首页
频道列表
我要评论