返回
抗衡阀
首页
>
了解产品
>
液压元件 液压阀
>
压力控制阀
>
抗衡阀
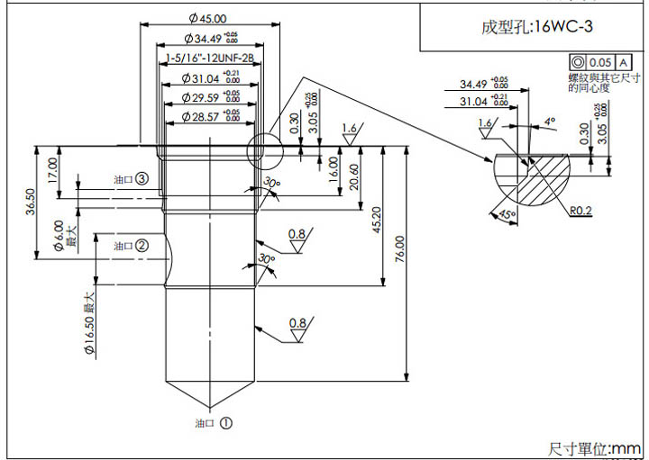
CB-16WC-33-J-L,CB-16WC-38-J-L,winner抗衡閥
2016-11-19 09:16
816
信息概况
价格:
未填
型号:
CB-16WC-33-J-L,CB-16WC-38-J-L
发货:
3天内
发送询价
CB-16WC-33-J-L,CB-16WC-38-J-L,winner抗衡閥
联系方式
姓名:销售员 1646(先生)
电话:
13861877712
传真:0510-82306839
地区:江苏-无锡市
地址:
无锡市会北路28-135
QQ:
2355802921
0
人关注
0
人点赞
举报
评分:
分
扫一扫访问当前网页
复制链接
二维码
短信
邮件
关闭
同类了解产品
CBA/CBG/CBH-063/093/T11/T02/T17-L10N/A,抗衡阀CBA/CBG/CBH
0810112,0811412,0810212,0811512,0811212,0811912,0811312,0810312,0811612,0810412,0811712,0811112,0811812,压力开关 D511/7DZ切换差不可调
¥
999.00
0810112,0811412,0810212,0811512,0811212,0811912,0811312,0810312,0811612,0810412,0811712,0811112,0811812,压力开关 D511/7DZ切换差不可调
¥
999.00
0880100,0880300,0880200,0880400,压力控制器D500/18D系列 螺纹G1/4
¥
999.00
0881100,0881300,0881200,0881400,压力控制器D500/18D系列 法兰
¥
999.00
0882100,0882300,0882200,0882400,D505/18D系列 螺纹G1/4 压力继电器
¥
999.00
取消
发送询价
分享好友
了解产品首页
频道列表
我要评论