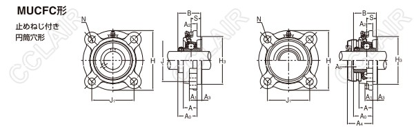
MUCFC201,MUCFC201C,MUCFC201E, MUCFC202,MUCFC202C,MUCFC202E, MUCFC203,MUCFC203C,MUCFC203E, MUCFC204,MUCFC204C,MUCFC204E, MUCFC205,MUCFC205C,MUCFC205E, MUCFC206,MUCFC206C,MUCFC206E, MUCFC207,MUCFC207C,MUCFC207E, MUCFC208,MUCFC208C,MUCFC208E,