返回
减速机
首页
>
了解产品
>
五金 传动设备
>
传动设备
>
减速机
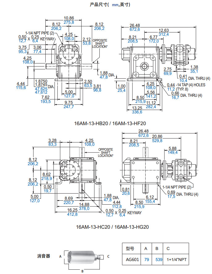
16AM-13-HB20,16AM-13-HF20,16AM-13-HC20,16AM-13-HG20,气动减速机
2016-06-21 22:33
838
信息概况
价格:
未填
型号:
16AM-13-HB20,16AM-13-HF20,16AM-13-HC20,16AM-13-HG20
发货:
3天内
发送询价
联系方式
姓名:销售员 1590(先生)
电话:
13861877712
传真:0510-82328771
地区:江苏-无锡市
地址:
无锡市会北路28-135
QQ:
2355802921
0
人关注
0
人点赞
举报
评分:
分
扫一扫访问当前网页
复制链接
二维码
短信
邮件
关闭
同类了解产品
1AM-NRV-56-GR11,1AM-NRV-60-GR11,气动减速机
1UP-NRV-4-GR11,1UP-NRV-11-GR11,气动减速机
2AM-43A-AF20,2AM-43A-BF20,气动减速机
4AM-RV-75-GR20,4AM-RV-75-GR25,4AM-70C-CB20,4AM-70C-CF20,气动减速机
6AM-22A-CB10,6AM-22A-CF10,6AM-22A-CC10,6AM-22A-CG10,气动减速机
8AM-32A-FB20,8AM-32A-FF20,8AM-32A-FC20,8AM-32A-FD20,气动减速机
取消
发送询价
分享好友
了解产品首页
频道列表
我要评论