返回
开关电源
首页
>
了解产品
>
开关电气 传感器
>
电源类
>
开关电源
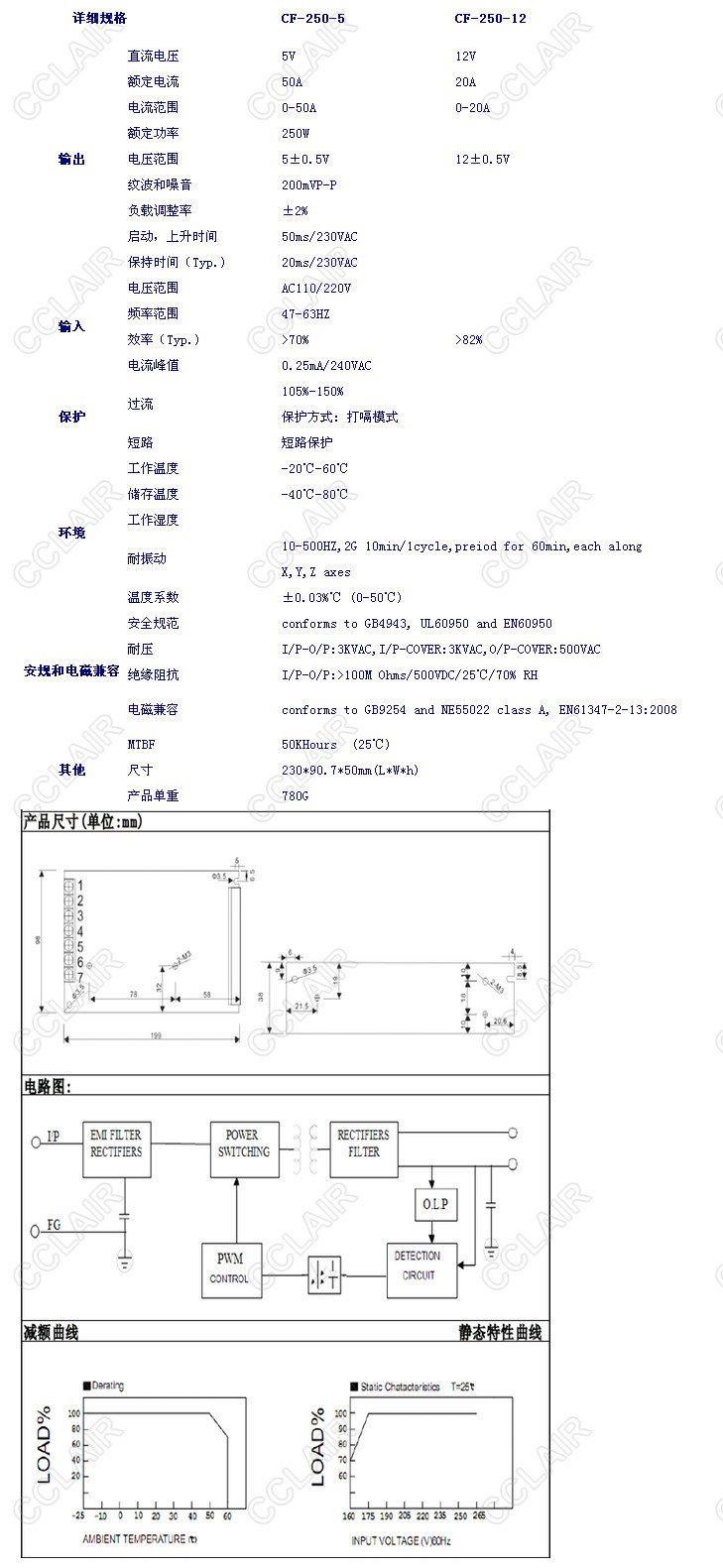
CF-250-5,CF-250-12,CF-250,铝壳防雨电源
2016-06-17 11:46
488
信息概况
价格:
未填
型号:
CF-250-5,CF-250-12,CF-250,铝壳防雨电源
发货:
3天内
发送询价
联系方式
姓名:销售员 1682(先生)
电话:
13861877712
传真:0510-82328771
地区:江苏-无锡市
地址:
无锡市会北路28-135
QQ:
2355802916
0
人关注
0
人点赞
举报
评分:
分
扫一扫访问当前网页
复制链接
二维码
短信
邮件
关闭
同类了解产品
L124-10B05,L124-1012,L124-10B24,VRB/URB,导轨式电源
CZLB-1000PV 1000VDC电源型SPD
CZLB-20/320/2P,CZLB-20/320/3P,CZLB-20/320/4P,交流电源型SPD(20kA)
CZLB-20/320/1P+1,CZLB-20/320/3P+1 交流电源型SPD(20kA)
CZLB-40/440/2P,CZLB-40/440/3P,CZLB-40/440/4P, 交流电源型SPD(40kA)
CZLB-40/440/1P+1,CZLB-40/440/3P+1 交流电源型SPD(40kA)
取消
发送询价
分享好友
了解产品首页
频道列表
我要评论