返回
调速阀
首页
>
了解产品
>
液压元件 液压阀
>
流量控制阀
>
调速阀
NSC04-G01(DC),NSC06-G01(DC),NSC08-G01(DC),NSC10-G01(DC),NSC12-G02(DC),调速阀
2016-04-27 20:22
1661
信息概况
价格:
未填
型号:
NSC04-G01(DC),NSC06-G01(DC),NSC08-G01(DC),NSC10-G01(DC),NSC12-G02(DC),
发货:
3天内
发送询价
NSC04-G01(DC),NSC06-G01(DC),NSC08-G01(DC),NSC10-G01(DC),NSC12-G02(DC),调速阀
Model
∅D
∅P
T
L1
L2
E1
E2
A
B
H(Hex)
WEIGHT(g)
EA(BOX)
NSC04-G01(DC)
4
10.5
G 1/8
15.3
31.5
23.3
7
6
15.3
8
16
50
NSC04-G02(DC)
4
10.5
G 1/4
17.6
37
25.3
9
8
15.3
12
35
50
NSC06-G01(DC)
6
12.5
G 1/8
15.3
31.5
24.2
7
6
16.4
8
18
50
NSC06-G02(DC)
6
12.5
G 1/4
17.6
37
26.2
9
8
16.4
12
33
50
NSC06-G03(DC)
6
12.5
G 3/8
21.4
43.6
27.7
11
8
16.4
14
63
25
NSC06-G04(DC)
6
12.5
G 1/2
22.9
50
30.8
14
9
16.4
17
108
20
NSC08-G01(DC)
8
14.5
G 1/8
14.2
31.5
25.9
7
6
18.3
8
20
50
NSC08-G02(DC)
8
14.5
G 1/4
16.9
37
27.9
9
8
18.3
12
34
50
NSC08-G03(DC)
8
14.5
G 3/8
21.4
43.6
28.9
11
8
18.3
14
64
25
NSC08-G04(DC)
8
14.5
G 1/2
22.9
50
31.8
14
9
18.3
17
100
20
NSC10-G01(DC)
10
17.5
G 1/8
12.7
31.5
27.9
7
6
19.7
8
26
25
NSC10-G02(DC)
10
17.5
G 1/4
16.4
37
29.9
9
8
19.7
12
38
25
NSC10-G03(DC)
10
17.5
G 3/8
20.1
43.6
31
11.2
8
19.7
14
63
25
NSC10-G04(DC)
10
17.5
G 1/2
22.9
50
33.4
14
9
19.7
17
103
20
NSC12-G02(DC)
12
20.5
G 1/4
14.9
37
33.3
9
8
22.4
12
42
25
NSC12-G03(DC)
12
20.5
G 3/8
19.3
43.6
33.7
11.5
8
21.9
14
65
25
NSC12-G04(DC)
12
20.5
G 1/2
21.6
50
36.1
14
9
21.9
17
104
20
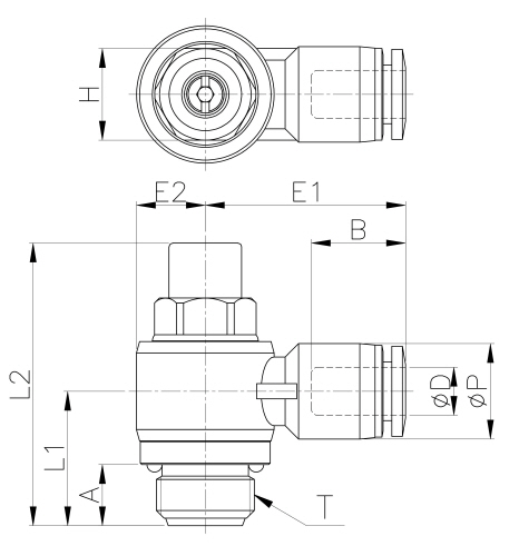
外形尺寸
NSC04-G02(DC),NSC06-G02(DC),NSC06-G03(DC),NSC06-G04(DC),NSC08-G02(DC),NSC08-G03(DC),
NSC08-G04(DC),NSC10-G02(DC),NSC10-G03(DC),NSC10-G04(DC),NSC12-G03(DC),NSC12-G04(DC),
联系方式
姓名:销售员1439(女士)
电话:
13861877712
传真:0510-82328771
地区:江苏-无锡市
地址:
无锡市会北路28-135
QQ:
2355802921
0
人关注
0
人点赞
举报
评分:
分
扫一扫访问当前网页
复制链接
二维码
短信
邮件
关闭
同类了解产品
MCV-02A-,MCV-03A-,MCV-02B-,MC-02P-,MC-03P-,MC-02T-,MC-03T-,MCV-04P-,MCV-06P-,MCV-04T-,MCV-06T-, MCV-04A-,MCV-06A-,MCV-04B-,MCV-06B-,MCV-02P-,MCV-03P-,MCV-02T-,MCV-03T-,MCV-02W-,MCV-03B-,叠加式液压单向阀
MBRV-02P-A,MBRV-02A-A,MBRV-02A-B,MBRV-03P-A,MBRV-03A-A,MBRV-03B-A,MBRV-03P-B,MBRV-02B-C,MBRV-02P-H,MBRV-02A-H,MBRV-02B-H,MBRV-02B-B,MBRV-02P-C,MBRV-02A-C,MBRV-02B-A,MBRV-02P-B,MBRV系列叠加式减压阀
MSW-01-X-50,MSW-01-Y-50,MSW-02-X-50,MSW-02-Y-50, MSW-03-X-50,MSW-03-Y-50,MSW-04-X-50,MSW-06-X-50, MSA-01-X-50,MSA-01-Y-50,MSA-02-X-50,MSA-02-Y-50, MSA-03-X-50,MSA-03-Y-50,MSA-04-X-50,MSA-06-X-50, MSB-01-X-50,MSB-02-X-50,MSB-03-X-50,MSB-04-X-50, MSB-06-X-5
Q-D6B-3,AQ-D6B-6,QY1-D6B-16,AQY1-D6B-6,Q-D10B-10,AQ-D10B-16,调速阀
调速阀SC-01,SC-02,SC-03,SC-04
Northman北部精机,比例溢流调速阀EFRD-G03-160-2-6-31,EFRD-G03-160-2-5-31,EFRD-G03-250-3-6-31,EFRD-G03-250-3-5-31,EFRD-G06-160-2-6-31,EFRD-G06-160-2-5-31,EFRD-G06-250-2-5-31,EFRD-G06-250-3-6-31,EFRD-G06-250-3-5-31
取消
发送询价
分享好友
了解产品首页
频道列表
我要评论