返回
气动接头
首页
>
了解产品
>
气动辅助元件
>
接头类
>
气动接头
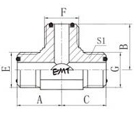
AF-04,AF-06,AF-08,AF-10,AF-12,AF-16,AF-20,AF-24,平面密封三通接头
2016-04-27 19:44
646
信息概况
价格:
未填
型号:
AF-04,AF-06,AF-08,AF-10,AF-12,AF-16,AF-20,AF-24,
发货:
3天内
发送询价
AF-04,AF-06,AF-08,AF-10,AF-12,AF-16,AF-20,AF-24,平面密封三通接头
联系方式
姓名:销售员1439(女士)
电话:
13861877712
传真:0510-82328771
地区:江苏-无锡市
地址:
无锡市会北路28-135
QQ:
2355802921
0
人关注
0
人点赞
举报
评分:
分
扫一扫访问当前网页
复制链接
二维码
短信
邮件
关闭
同类了解产品
SMC型外螺U型接头KB2U04-M5,KB2U04-M6,KB2U04-01S,KB2U04-02S,KB2U06-M5,KB2U06-M6,KB2U06-01S,KB2U06-02S,KB2U06-03S,KB2U08-01S,KB2U08-02S,KB2U08-03S,KB2U08-04S,KB2U10-01S,KB2U10-02S,KB2U10-03S,KB2U10-04S,KB2U12-02S,KB2U12-03S,KB2U12-04S,
SMC型内螺隔板接头KB2E04-M5,KB2E04-M6,KB2E04-01,KB2E04-02,KB2E06-01,KB2E06-02,KB2E06-03,KB2E08-01,KB2E08-02,KB2E08-03,KB2E10-01,KB2E10-02,KB2E10-03,KB2E10-04,KB2E12-02,KB2E12-03,KB2E12-04,KB2E16-03,KB2E16-04,
SMC型外螺加长弯接头KB2W04-M5,KB2W04-01S,KB2W04-02S,KB2W06-M5,KB2W06-01S,KB2W06-02S,KB2W06-03S,KB2W08-01S,KB2W08-02S,KB2W08-03S,KB2W10-01S,KB2W10-02S,KB2W10-03S,KB2W10-04S,KB2W12-02S,KB2W12-03S,KB2W12-04S,KB2W16-03S,KB2W16-04S,
SMC型等径弯插接头KB2L04-99,KB2L06-99,KB2L08-99,KB2L10-99,KB2L12-99,KB2L16-99,
SMC型双头外六角接头KB2Z04-M5,KB2Z04-01S,KB2Z04-02S,KB2Z06-M5,KB2Z06-01S,KB2Z06-02S,KB2Z06-03S,KB2Z08-01S,KB2Z08-02S,KB2Z08-03S,KB2Z10-01S,KB2Z10-02S,KB2Z10-03S,KB2Z10-04S,KB2Z12-02S,KB2Z12-03S,KB2Z12-04S,
SMC型带快换接头AS1001F-04-3,AS1001F-06-3,AS2001F-04-3,AS2001F-06-3,AS2051F-06-3,AS2051F-08-3,AS3001F-06-3,AS3001F-08-3,AS3001F-10-3,AS3001F-12-3,AS4201F-10-3,AS4201F-12-3,
取消
发送询价
分享好友
了解产品首页
频道列表
我要评论