返回
管接头
首页
>
了解产品
>
阀门 流体控制
>
阀门管件配件
>
管接头
PXT04-G01,PXT04-G02,PXT06-G01,PXT06-G02,快插式管接头
2016-04-23 09:57
721
信息概况
价格:
未填
型号:
PXT04-G01,PXT04-G02,PXT06-G01,PXT06-G02,
发货:
3天内
发送询价
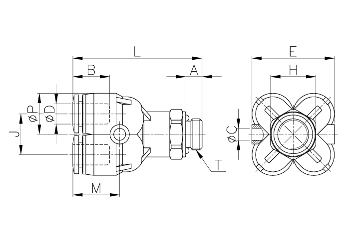
PXT04-G01,PXT04-G02,PXT06-G01,PXT06-G02,快插式管接头
Model
∅D
∅P
T
L
E
J
∅C
A
B
H(Hex)
ORIFICE
WEIGHT(g)
EA(BOX)
PXT04-G01
4
10.5
G 1/8
38.7
21.2
10.6
3.3
5
15.3
14
4
19
50
PXT04-G02
4
10.5
G 1/4
40.7
21.2
10.6
3.3
6.5
15.3
17
4
23
50
PXT06-G01
6
12.8
G 1/8
40
25.6
12.7
3.3
5
16.4
14
6
24
25
PXT06-G02
6
12.8
G 1/4
42
25.6
12.7
3.3
6.5
16.4
17
6
30
25
外形尺寸
联系方式
姓名:销售员1439(女士)
电话:
13861877712
传真:0510-82328771
地区:江苏-无锡市
地址:
无锡市会北路28-135
QQ:
2355802921
0
人关注
0
人点赞
举报
评分:
分
扫一扫访问当前网页
复制链接
二维码
短信
邮件
关闭
同类了解产品
SBA8-01-NCU,SBA12-01-NCU,SBA12-02-NCU,SBA12-03-NCU,SBA14-02-NCU,接头・气缸轴接头NCU式样
STQ8-4,STQ8-6,STQ12-6,STQ12-8,STQ14-8,STQ14-10,STQ14-12,供气管接头 终端快接
POC8-01-L40,POC8-01-L50,POC8-01-L60,POC8-02-L50,POC8-02-L60,POC8-01-L70,POC8-01-L80,PISCO加长管接头
POC8-01-L40,POC8-01-L50,POC8-01-L60,POC8-02-L50,POC8-02-L60,POC8-01-L70,POC8-01-L80,PISCO加长管接头
AKC08-601,AKC10-801,AKC10-1001,AKC08-5/16N1U,AKC10-5/16N1U,AKC10-3/8N1U,AKC08-802,PISCO耐热管接头
AKL08-601,AKL10-801,AKL10-1001,AKL10-1201,AKL08-5/16N1U,AKL10-3/8N1U,AKL10-5/16N1U,PISCO耐热管接头
取消
发送询价
分享好友
了解产品首页
频道列表
我要评论