返回
摆动液压缸
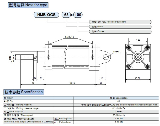
NMB-QGS63×100,内摆门气缸
2016-04-21 19:501112
信息概况
  • 价格:未填
  • 型号:NMB-QGS63×100,
  • 发货:3天内
联系方式
  • 举报
关闭
同类了解产品