返回
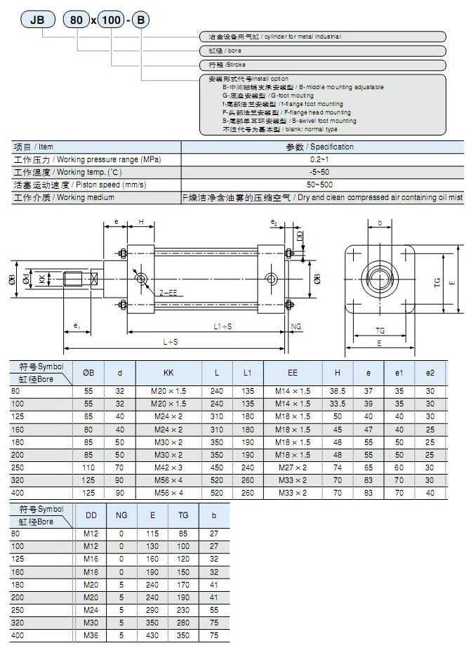
导杆气缸
JB80×100,JB100×100,JB125×100,JB160×100,JB180×100,JB200×100,JB250×100,JB320×100,JB400×100,冶金气缸
2016-04-19 20:381061
信息概况
  • 价格:未填
  • 型号:JB80×100,JB100×100,JB125×100,JB160×100,JB180×100,JB200×100,JB250×100,JB320×100,JB400×100,
  • 发货:3天内
联系方式
  • 举报
关闭
同类了解产品