返回
调速阀
首页
>
了解产品
>
液压元件 液压阀
>
流量控制阀
>
调速阀
NSS04-M5(DC),NSS06-M5(DC),NSS08-01(DC),NSS10-02(DC),NSS12-02(DC),调速阀
2016-04-11 21:19
620
信息概况
价格:
未填
型号:
NSS04-M5(DC),NSS06-M5(DC),NSS08-01(DC),NSS10-02(DC),NSS12-02(DC
发货:
3天内
发送询价
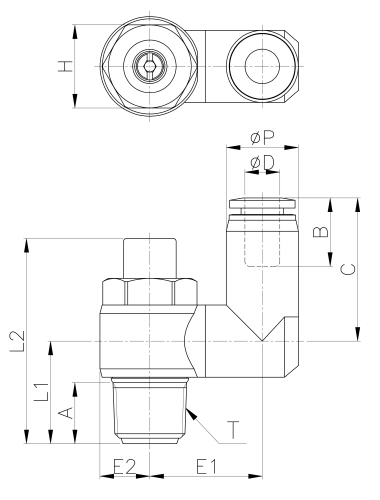
NSS04-M5(DC),NSS06-M5(DC),NSS08-01(DC),NSS10-02(DC),NSS12-02(DC),调速阀
Model
¢D
¢P
T
L1
L2
E1
E2
A
B
H(Hex)
C
WEIGHT(g)
BOX(EA)
NSS 04-M5(DC)
4
10.5
M5x0.8p
9.6
23.2
12.3
5.2
3.6
14.8
8
20.3
7
50
NSS 04-01(DC)
4
10.5
R1/8
15.1
31.5
14.3
7
8.2
14.8
11
20.3
16
50
NSS 04-02(DC)
4
10.5
R1/4
18.4
37
17.8
9.2
11
14.8
15
20.3
35
50
NSS 06-M5(DC)
6
12.5
M5x0.8p
9.6
23.2
13.3
5.2
3.6
16.4
8
22.4
9
50
NSS 06-01(DC)
6
12.5
R1/8
15.6
31.5
15
7
8.2
16.4
11
24
18
25
NSS 06-02(DC)
6
12.5
R1/4
18.4
37
20.3
9.2
11
16.4
15
25.9
33
25
NSS 06-03(DC)
6
12.5
R3/8
21.9
43.3
23.3
11.5
12.2
16.4
19
25.9
63
25
NSS 08-01(DC)
8
14.8
R1/8
15.6
31.5
16.2
7
8.2
18.3
11
24.9
20
25
NSS 08-02(DC)
8
14.8
R1/4
18.4
37
19.3
9.2
11
18.3
15
28.3
34
25
NSS 08-03(DC)
8
14.8
R3/8
22.4
43.3
24.6
11.5
12.2
18.3
19
29.3
64
25
NSS 08-04(DC)
8
14.8
R1/2
26.6
50.2
26.6
14.3
16.5
18.3
24
29.3
100
20
NSS 10-02(DC)
10
17.5
R1/4
18.4
37
20.3
9.2
11
20.2
15
30.7
38
20
NSS 10-03(DC)
10
17.5
R3/8
22.4
43.3
24.6
11.5
12.2
20.2
19
31.7
63
20
NSS 10-04(DC)
10
17.5
R1/2
26.7
50.2
26.7
14.3
16.5
20.2
24
33.1
103
12
NSS 12-02(DC)
12
20.5
R1/4
18.4
37
21.8
9.2
11
22.9
15
33.4
42
12
NSS 12-03(DC)
12
20.5
R3/8
22.4
43.3
24.6
11.5
12.2
22.9
19
34.4
65
12
NSS 12-04(DC)
12
20.5
R1/2
26.7
50.2
26.7
14.3
16.5
22.9
24
35.8
104
12
外形尺寸
NSS04-01(DC),NSS04-02(DC),NSS06-01(DC),NSS06-02(DC),NSS06-03(DC),NSS08-02(DC),
NSS08-03(DC),NSS08-04(DC),NSS10-03(DC),NSS10-04(DC),NSS12-03(DC),NSS12-04(DC),
联系方式
姓名:销售员1439(女士)
电话:
13861877712
传真:0510-82328771
地区:江苏-无锡市
地址:
无锡市会北路28-135
QQ:
2355802921
0
人关注
0
人点赞
举报
评分:
分
扫一扫访问当前网页
复制链接
二维码
短信
邮件
关闭
同类了解产品
MCV-02A-,MCV-03A-,MCV-02B-,MC-02P-,MC-03P-,MC-02T-,MC-03T-,MCV-04P-,MCV-06P-,MCV-04T-,MCV-06T-, MCV-04A-,MCV-06A-,MCV-04B-,MCV-06B-,MCV-02P-,MCV-03P-,MCV-02T-,MCV-03T-,MCV-02W-,MCV-03B-,叠加式液压单向阀
MBRV-02P-A,MBRV-02A-A,MBRV-02A-B,MBRV-03P-A,MBRV-03A-A,MBRV-03B-A,MBRV-03P-B,MBRV-02B-C,MBRV-02P-H,MBRV-02A-H,MBRV-02B-H,MBRV-02B-B,MBRV-02P-C,MBRV-02A-C,MBRV-02B-A,MBRV-02P-B,MBRV系列叠加式减压阀
MSW-01-X-50,MSW-01-Y-50,MSW-02-X-50,MSW-02-Y-50, MSW-03-X-50,MSW-03-Y-50,MSW-04-X-50,MSW-06-X-50, MSA-01-X-50,MSA-01-Y-50,MSA-02-X-50,MSA-02-Y-50, MSA-03-X-50,MSA-03-Y-50,MSA-04-X-50,MSA-06-X-50, MSB-01-X-50,MSB-02-X-50,MSB-03-X-50,MSB-04-X-50, MSB-06-X-5
Q-D6B-3,AQ-D6B-6,QY1-D6B-16,AQY1-D6B-6,Q-D10B-10,AQ-D10B-16,调速阀
调速阀SC-01,SC-02,SC-03,SC-04
Northman北部精机,比例溢流调速阀EFRD-G03-160-2-6-31,EFRD-G03-160-2-5-31,EFRD-G03-250-3-6-31,EFRD-G03-250-3-5-31,EFRD-G06-160-2-6-31,EFRD-G06-160-2-5-31,EFRD-G06-250-2-5-31,EFRD-G06-250-3-6-31,EFRD-G06-250-3-5-31
取消
发送询价
分享好友
了解产品首页
频道列表
我要评论