返回
调速阀
首页
>
了解产品
>
液压元件 液压阀
>
流量控制阀
>
调速阀
NSC03-M5(D),NSC04-M5(D),NSC06-M5(D),NSC08-01(D),NSC10-01(D),NSC12-02(D),调速阀
2016-04-11 21:11
916
信息概况
价格:
未填
型号:
NSC03-M5(D),NSC04-M5(D),NSC06-M5(D),NSC08-01(D),NSC10-01(D),NSC12-02(D)
发货:
3天内
发送询价
NSC03-M5(D),NSC04-M5(D),NSC06-M5(D),NSC08-01(D),NSC10-01(D),NSC12-02(D),调速阀
Model
¢D
¢P
T
L1
L2/MIN
L2/MAX
E1
E2
A
B
H(Hex)
WEIGHT(g)
BOX(EA)
NSC03-M5(D)
3
7.8
M5*0.8p
9.6
20.4
22.9
16.5
5
3.6
11.3
8
8
50
NSC04-M5(D)
4
10.5
M5*0.8p
10.3
20.4
22.9
20.2
5
3.6
14.8
8
9
50
NSC04-01(D)
4
10.5
R 1/8
15.1
26.7
31.2
23.3
7
8.2
15.3
11
20
50
NSC04-02(D)
4
10.5
R 1/4
18.4
31.3
37.4
25.3
9
11
15.3
15
36
50
NSC06-M5(D)
6
12.5
M5*0.8p
11.4
20.4
22.9
22.7
5
3.6
16.4
8
10
50
NSC06-01(D)
6
12.5
R 1/8
15.1
26.7
31.2
24.2
7
8.2
16.4
11
21
50
NSC06-02(D)
6
12.5
R 1/4
18.4
31.3
37.4
26.2
9
11
16.4
15
37
50
NSC06-03(D)
6
12.5
R 3/8
21.9
37
42.9
27.7
11
12.2
16.4
19
70
25
NSC06-04(D)
6
12.5
R 1/2
26.5
43
49.3
30.8
14
16.5
16.4
24
108
20
NSC08-01(D)
8
14.5
R 1/8
16.2
26.7
31.2
25.9
7
8.2
18.3
11
22
50
NSC08-02(D)
8
14.5
R 1/4
19.2
31.3
37.4
27.9
9
11
18.3
15
38
50
NSC08-03(D)
8
14.5
R 3/8
21.9
37
42.9
28.9
11
12.2
18.3
19
71
25
NSC08-04(D)
8
14.5
R 1/2
26.5
43
49.3
31.8
14
16.5
18.3
24
109
20
NSC10-01(D)
10
17.5
R 1/8
17.7
26.7
31.2
27.9
7
8.2
19.7
11
26
25
NSC10-02(D)
10
17.5
R 1/4
20.7
31.3
37.4
29.9
9
11
19.7
15
42
25
NSC10-03(D)
10
17.5
R 3/8
23.2
37
42.9
31
11.2
12.2
19.7
19
73
25
NSC10-04(D)
10
17.5
R 1/2
26.5
43
49.3
33.4
14
16.5
19.7
24
110
20
NSC12-02(D)
12
20.5
R 1/4
22.2
31.3
37.4
33.3
9
11
22.4
15
45
25
NSC12-03(D)
12
20.5
R 3/8
24
37
42.9
33.7
11.5
12.2
21.9
19
75
25
NSC12-04(D)
12
20.5
R 1/2
28
43
49.3
36.1
14
16.5
21.9
24
113
20
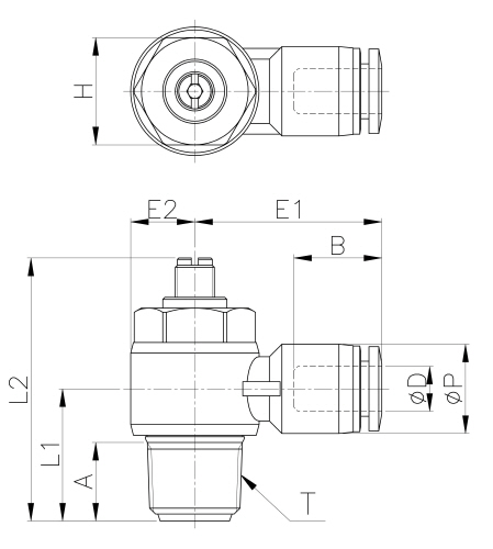
外形尺寸
NSC04-01(D),NSC04-02(D),NSC06-01(D),NSC06-02(D),NSC06-03(D),NSC06-04(D),NSC08-02(D),
NSC08-03(D),NSC08-04(D),NSC10-02(D),NSC10-03(D),NSC10-04(D),NSC12-03(D),NSC12-04(D),
联系方式
姓名:销售员1439(女士)
电话:
13861877712
传真:0510-82328771
地区:江苏-无锡市
地址:
无锡市会北路28-135
QQ:
2355802921
0
人关注
0
人点赞
举报
评分:
分
扫一扫访问当前网页
复制链接
二维码
短信
邮件
关闭
同类了解产品
MCV-02A-,MCV-03A-,MCV-02B-,MC-02P-,MC-03P-,MC-02T-,MC-03T-,MCV-04P-,MCV-06P-,MCV-04T-,MCV-06T-, MCV-04A-,MCV-06A-,MCV-04B-,MCV-06B-,MCV-02P-,MCV-03P-,MCV-02T-,MCV-03T-,MCV-02W-,MCV-03B-,叠加式液压单向阀
MBRV-02P-A,MBRV-02A-A,MBRV-02A-B,MBRV-03P-A,MBRV-03A-A,MBRV-03B-A,MBRV-03P-B,MBRV-02B-C,MBRV-02P-H,MBRV-02A-H,MBRV-02B-H,MBRV-02B-B,MBRV-02P-C,MBRV-02A-C,MBRV-02B-A,MBRV-02P-B,MBRV系列叠加式减压阀
MSW-01-X-50,MSW-01-Y-50,MSW-02-X-50,MSW-02-Y-50, MSW-03-X-50,MSW-03-Y-50,MSW-04-X-50,MSW-06-X-50, MSA-01-X-50,MSA-01-Y-50,MSA-02-X-50,MSA-02-Y-50, MSA-03-X-50,MSA-03-Y-50,MSA-04-X-50,MSA-06-X-50, MSB-01-X-50,MSB-02-X-50,MSB-03-X-50,MSB-04-X-50, MSB-06-X-5
Q-D6B-3,AQ-D6B-6,QY1-D6B-16,AQY1-D6B-6,Q-D10B-10,AQ-D10B-16,调速阀
调速阀SC-01,SC-02,SC-03,SC-04
Northman北部精机,比例溢流调速阀EFRD-G03-160-2-6-31,EFRD-G03-160-2-5-31,EFRD-G03-250-3-6-31,EFRD-G03-250-3-5-31,EFRD-G06-160-2-6-31,EFRD-G06-160-2-5-31,EFRD-G06-250-2-5-31,EFRD-G06-250-3-6-31,EFRD-G06-250-3-5-31
取消
发送询价
分享好友
了解产品首页
频道列表
我要评论