返回
管接头
首页
>
了解产品
>
阀门 流体控制
>
阀门管件配件
>
管接头
FCK04,FCK06,FCK08,FCK10,FCK12,快拧式管接头
2016-04-11 19:52
868
信息概况
价格:
未填
型号:
FCK04,FCK06,FCK08,FCK10,FCK12,
发货:
3天内
发送询价
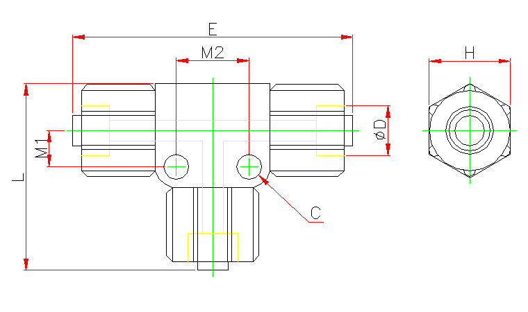
FCK04,FCK06,FCK08,FCK10,FCK12,快拧式管接头
Model
¢D
L
E
C
M1
M2
H(Hex)
WEIGHT(g)
BOX(EA)
FCK04
4
22.5
36
2.6
5.6
9
10
4
100
FCK06
6
31.1
48.3
4.3
5.7
11.2
12
11
50
FCK08
8
32
49.5
4.3
6.6
12.2
14
14
50
FCK10
10
40
54
4.3
8.3
13.4
17
24
25
FCK12
12
47.7
68
4.3
9.3
13.7
19
26
20
外形尺寸
联系方式
姓名:销售员1439(女士)
电话:
13861877712
传真:0510-82328771
地区:江苏-无锡市
地址:
无锡市会北路28-135
QQ:
2355802921
0
人关注
0
人点赞
举报
评分:
分
扫一扫访问当前网页
复制链接
二维码
短信
邮件
关闭
同类了解产品
SBA8-01-NCU,SBA12-01-NCU,SBA12-02-NCU,SBA12-03-NCU,SBA14-02-NCU,接头・气缸轴接头NCU式样
STQ8-4,STQ8-6,STQ12-6,STQ12-8,STQ14-8,STQ14-10,STQ14-12,供气管接头 终端快接
POC8-01-L40,POC8-01-L50,POC8-01-L60,POC8-02-L50,POC8-02-L60,POC8-01-L70,POC8-01-L80,PISCO加长管接头
POC8-01-L40,POC8-01-L50,POC8-01-L60,POC8-02-L50,POC8-02-L60,POC8-01-L70,POC8-01-L80,PISCO加长管接头
AKC08-601,AKC10-801,AKC10-1001,AKC08-5/16N1U,AKC10-5/16N1U,AKC10-3/8N1U,AKC08-802,PISCO耐热管接头
AKL08-601,AKL10-801,AKL10-1001,AKL10-1201,AKL08-5/16N1U,AKL10-3/8N1U,AKL10-5/16N1U,PISCO耐热管接头
取消
发送询价
分享好友
了解产品首页
频道列表
我要评论