返回
导杆气缸
首页
>
了解产品
>
执行元件 液压缸
>
执行元件/气缸
>
导杆气缸
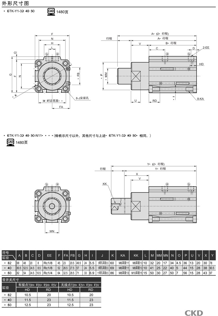
STK-Y1-20-10,STK-Y1-32-10,STK-Y1-40-20,STK-Y1-50-20,STK-Y1-20-15,STK-Y1-40-25,CKD止动气缸
2016-04-01 21:35
611
信息概况
价格:
未填
型号:
STK-Y1-20-10,STK-Y1-32-10,STK-Y1-40-20,STK-Y1-50-20,STK-Y1-20-15,STK-Y1-40-25,
发货:
3天内
发送询价
STK-Y1-20-10,STK-Y1-32-10,STK-Y1-40-20,STK-Y1-50-20,STK-Y1-20-15,STK-Y1-40-25,CKD止动气缸
STK-Y1-20-20,STK-Y1-32-15,STK-Y1-32-20,STK-Y1-40-30,STK-Y1-50-25,STK-Y1-50-30,
联系方式
姓名:销售员1439(女士)
电话:
13861877712
传真:0510-82328771
地区:江苏-无锡市
地址:
无锡市会北路28-135
QQ:
2355802921
0
人关注
0
人点赞
举报
评分:
分
扫一扫访问当前网页
复制链接
二维码
短信
邮件
关闭
同类了解产品
导杆气缸 TA12-25M,TA12-50M,TA12-75M,TA12-100M,TA12-125M,TA12-150M,TA12-175M,TA12-200M
GAN20*50,GAN20*75,GAN20*100,GAN20*125,GAN20*150,GAN20*200,GAN20*250,带导向装置气缸
PSTLA50-20,PSTLA50-25,PSTLA50-30,PSTLA50-40,PSTLB50-20,PSTLB50-25,定程杆气缸PST
PGM12-10,PGM12-20,PGL32-25,PGL32-50,PGL32-75,PGL32-100,薄型导杆气缸PG系列
PAGXBB20-25,PAGXBB20-25A,PAGXBB20-50,PAGXBB20-50A,PAGXBB20-75,PAGXBB20-75A,导杆气缸-PAGX系列
GDB-20,GDB-25,GDB-32,GDB-40,GDB-50,GDB-63,POSU导杆气缸
取消
发送询价
分享好友
了解产品首页
频道列表
我要评论