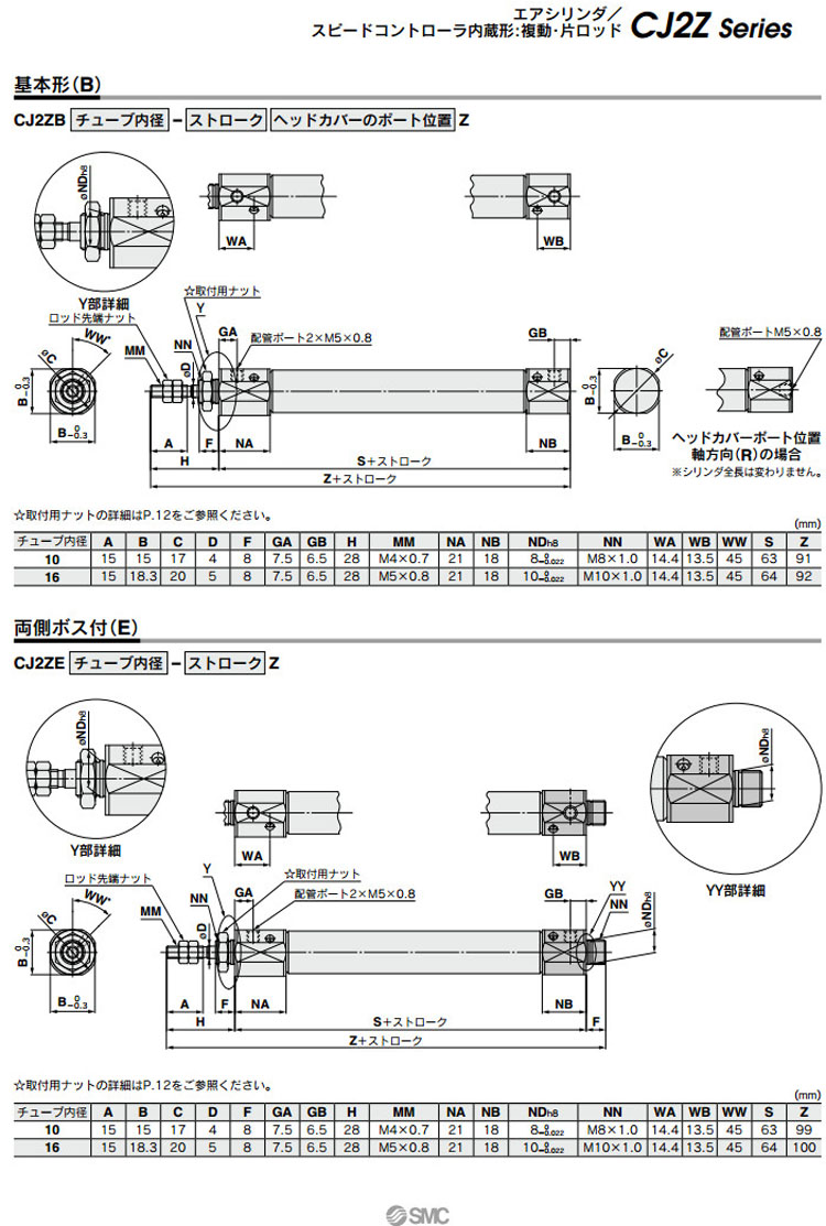
CJ2ZB,CJ2ZE,CJ2ZD,CJ2ZM,CJ2ZL,CJ2ZF,CJ2ZG,CDJ2ZB,CDJ2ZE,CDJ2ZD,CDJ2ZM,CDJ2ZL,CDJ2ZF,CDJ2ZG,SMC标准型气缸






CJ2ZB10-60,CJ2ZE10-60,CJ2ZD10-60,CJ2ZL10-60,CJ2ZM10-60,CJ2ZF10-60,CJ2ZG10-60,CJ2ZB16-60,
CJ2ZE16-60,CJ2ZD16-60,CJ2ZL16-60,CJ2ZM16-60,CJ2ZF16-60,CJ2ZG16-60,CDJ2ZB10-60,CDJ2ZE10-60,
CDJ2ZD10-60,CDJ2ZL10-60,CDJ2ZM10-60,CDJ2ZF10-60,CDJ2ZG10-60,CDJ2ZB16-60,CDJ2ZE16-60,CDJ2ZD16-60,
CDJ2ZL16-60,CDJ2ZM16-60,CDJ2ZF16-60,CDJ2ZG16-60,