返回
逆止阀
首页
>
了解产品
>
液压元件 液压阀
>
压力控制阀
>
逆止阀
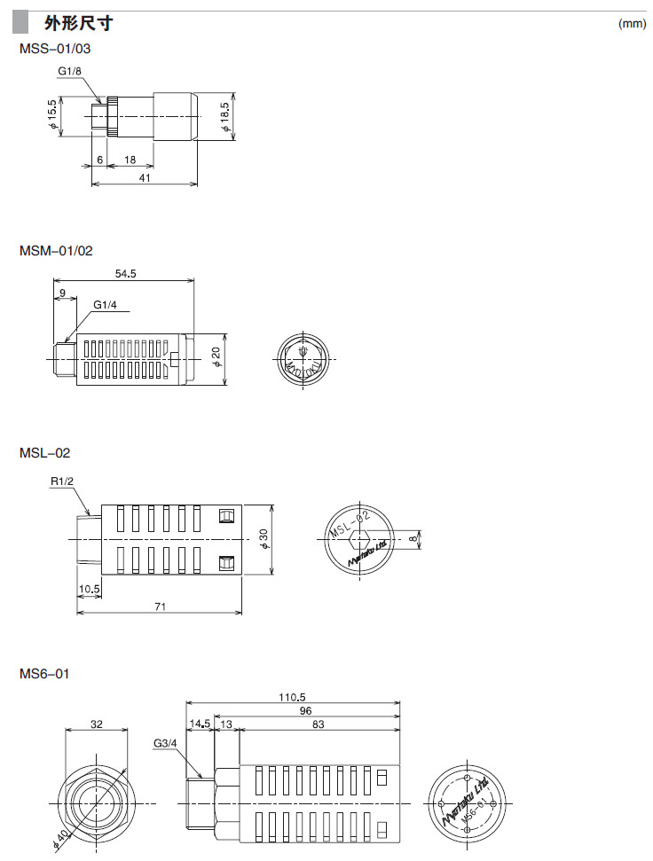
CH-01,逆止阀MSS-01,MSS-03,MSM-01,MSM-02,MSL-02,MS6-01,消音器
2016-03-17 22:34
948
信息概况
价格:
未填
型号:
CH-01,逆止阀MSS-01,MSS-03,MSM-01,MSM-02,MSL-02,MS6-01
发货:
3天内
发送询价
MSS-01,MSS-03,MSM-01,MSM-02,MSL-02,MS6-01,消音器
联系方式
姓名:销售员 1620(先生)
电话:
13861877712
传真:0510-82306839
地区:江苏-无锡市
地址:
无锡市会北路28-135
QQ:
2355802921
0
人关注
0
人点赞
举报
评分:
分
扫一扫访问当前网页
复制链接
二维码
短信
邮件
关闭
同类了解产品
引导逆止阀FP-02,FP-03,FP-04,FPD-02
引导逆止阀FP-02,FP-03,FP-04,FPD-02
DY203X-2.5-DN125,DY203X-2.5-DN150,DY203X-2.5-DN200,DY203X-2.5-DN250, DY203X-2.5-DN300,DY203X-2.5-DN350,DY203X-2.5-DN400,DY203X-2.5-DN450,DY203X-2.5-DN500,DY203X-2.5-DN600,DY203X-2.5-DN700,DY203X-2.5-DN800,减压稳压逆止阀
PC-1/4",PC-1/4"S,POSU引导止逆阀
PCD-1/4,POSU引导止逆阀
C-1/8",C-1/4",C-3/8",C-1/2",C-3/4",C-1",POSU单向止逆阀
取消
发送询价
分享好友
了解产品首页
频道列表
我要评论