返回
呼吸阀
首页
>
了解产品
>
阀门 流体控制
>
阀门类
>
呼吸阀
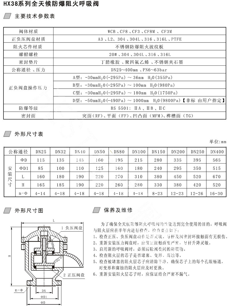
HX38-6C-DN25,HX38-6C-DN150,HX38-63C-DN40,HX38-63C-DN250,防爆阻火呼吸阀
2016-03-16 12:28
1039
信息概况
价格:
未填
型号:
HX38-6C-DN25,HX38-6C-DN150,HX38-63C-DN40,HX38-63C-DN250
发货:
3天内
发送询价
HX38-6C-DN25,HX38-6C-DN150,HX38-63C-DN40,HX38-63C-DN250,防爆阻火呼吸阀
HX38-6C-DN32,HX38-6C-DN40,HX38-6C-DN50,HX38-6C-DN80,
HX38-6C-DN100,CCLAIR,HX38-6C-DN200,HX38-6C-DN250,HX38-6C-DN400,
HX38-63C-DN25,HX38-63C-DN32,HX38-63C-DN50,HX38-63C-DN80,
HX38-63C-DN100,HX38-63C-DN150,HX38-63C-DN200,HX38-63C-DN400,
联系方式
姓名:销售员 1564(先生)
电话:
13861877712
传真:0510-82328771
地区:江苏-无锡市
地址:
无锡市会北路28-135
QQ:
2355802919
0
人关注
0
人点赞
举报
评分:
分
扫一扫访问当前网页
复制链接
二维码
短信
邮件
关闭
同类了解产品
HX2-DN50,HX2-DN80,HX2-DN100,HX2-DN150,HX2-DN200,HX2-DN250,带双接管呼吸阀
JYDX-2,吸气阀
JYDX2-3,吸气阀
JYDX-5H,吸气阀
JYDX-5S,吸气阀
HXF-88AI-DN50,HXF-88BI-DN100,HXF-88AII-DN150,HXF-88AIII-DN250,HXF-88BII-DN200,呼吸阀
取消
发送询价
分享好友
了解产品首页
频道列表
我要评论