返回
脚踏阀
首页
>
了解产品
>
气动器材 气动阀
>
机械阀 人控阀
>
脚踏阀
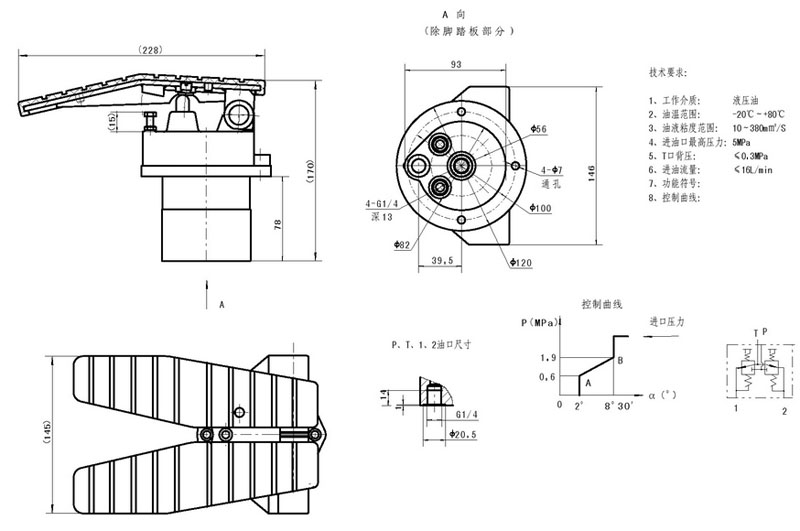
WYX-5,双踏板式先导阀
2016-03-12 16:06
1770
信息概况
价格:
未填
型号:
WYX-5,双踏板式先导阀
发货:
3天内
发送询价
WYX-5,双踏板式先导阀
联系方式
姓名:销售员 1572(先生)
电话:
13861877712
传真:0510-82328771
地区:江苏-无锡市
地址:
无锡市会北路28-135
QQ:
2355802919
0
人关注
0
人点赞
举报
评分:
分
扫一扫访问当前网页
复制链接
二维码
短信
邮件
关闭
同类了解产品
QR7A系列脚踏阀
QR7B脚踏阀
脚踏阀SH-410-02,SH-410-03,ST-411-02,ST-411-03
AIRTAC亚德客 脚踏阀4F21008,4F21008L,4F21008F,4F21008LF
AIRTAC亚德客 脚踏阀3FM210-M5,3F210-06,3FM210-06,3F210-08,3FM210-08
SY-PJT,脚踏阀
取消
发送询价
分享好友
了解产品首页
频道列表
我要评论