返回
汇流板/阀板
首页
>
了解产品
>
气动辅助元件
>
气动管件阀板配件
>
汇流板/阀板
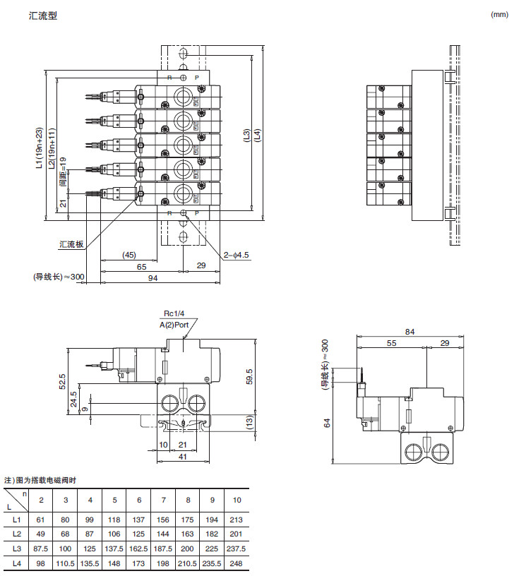
MCKV0390,汇流板
2016-03-03 20:52
859
信息概况
价格:
未填
型号:
MCKV0390,
发货:
3天内
发送询价
MCKV0390,汇流板
联系方式
姓名:销售员 1620(先生)
电话:
13861877712
传真:0510-82306839
地区:江苏-无锡市
地址:
无锡市会北路28-135
QQ:
2355802921
0
人关注
0
人点赞
举报
评分:
分
扫一扫访问当前网页
复制链接
二维码
短信
邮件
关闭
同类了解产品
气路分流排SML-2 OSML-2 HSML-2 SML-3 OSML-3 HSML-3 SML-4 OSML-4 HSML-4 SML-5 OSML-5 HSML-5 SML-6 OSMY 2分内牙 OSMV 2分内牙 SOSMY 2分内牙 OSMY 4分外牙 OSMV 4分外牙 SOSMV 2分内牙 SMY 2分内牙 SMV 2分内牙 SMY 4分外牙 SMV 4分外牙 LT-2F SY30-02-2F LT-3F SY30-02-3F LT-4F SY30-02-4F
M2,M3,M4,M5,M6,254系列汇流板
MM1,MM2,MM3,MM4,MM5,MM6,MM7,MM8,MM9,MM10,062系列汇流板
BM2T,BM3T,BM4T,BM5T,BM6T,BM7T,BM8T,BM9T,BM10T,BM2C,BM3C,BM4C,200系列汇流板
HM2T,HM3T,HM4T,HM5T,HM6T,HM7T,HM8T,HM9T,HM10T,HM2F,HM3F,HM4F,100系列汇流板
SM2,SM3,SM4,SM5,SM6,SM7,SM8,SM9,SM10,050系列汇流板
取消
发送询价
分享好友
了解产品首页
频道列表
我要评论