返回
其他阀门
首页
>
了解产品
>
阀门 流体控制
>
其他阀门
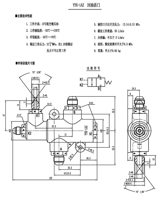
YYK-1AZ,回油活门
2016-03-03 13:25
648
信息概况
价格:
未填
型号:
YYK-1AZ,回油活门
发货:
3天内
发送询价
YYK-1AZ,回油活门
联系方式
姓名:销售员 1572(先生)
电话:
13861877712
传真:0510-82328771
地区:江苏-无锡市
地址:
无锡市会北路28-135
QQ:
2355802919
0
人关注
0
人点赞
举报
评分:
分
扫一扫访问当前网页
复制链接
二维码
短信
邮件
关闭
同类了解产品
HLSF-DN6,HLSF-DN8,HLSF-DN10,HLSF-DN15,HLSF-DN20,HLSF-DN25,注射阀
RE06-NC,RE06-NO,RE06-L-NC,RE06-L-NO,RE08-NC,RE08-NO,RE08-L-NC,RE08-L-NO,RE供气阀
QXZ32,QXZ40,QXZ50,QXZ65,QXZ80,QXZ100,QXZ125,QXZ150,灭火系统专用选择阀
DN25,DN32,DN40,DN50,DN65,DN80,选择阀
DN100,选择阀
DN125,DN150,选择阀
取消
发送询价
分享好友
了解产品首页
频道列表
我要评论