返回
关闭阀
首页
>
了解产品
>
阀门 流体控制
>
其他阀门
>
关闭阀
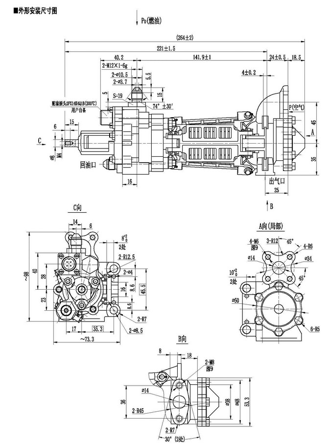
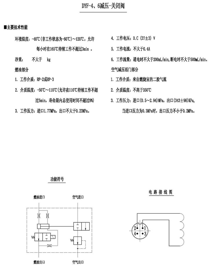
DYF-4,DYF-6,减压-关闭阀
2016-02-27 17:09
889
信息概况
价格:
未填
型号:
DYF-4,DYF-6,减压-关闭阀
发货:
3天内
发送询价
DYF-4,DYF-6,减压-关闭阀
联系方式
姓名:销售员 1572(先生)
电话:
13861877712
传真:0510-82328771
地区:江苏-无锡市
地址:
无锡市会北路28-135
QQ:
2355802919
0
人关注
0
人点赞
举报
评分:
分
扫一扫访问当前网页
复制链接
二维码
短信
邮件
关闭
同类了解产品
MA1A10/V,MA1A10/5,HYDAC关闭阀
DSV-10-M,DSV-10-EY,HYDAC关闭阀
CDSV1A-1/4-400,DSV21-1B-200,DSV2-2-200,DSV2-1-200,DSV2-3-200,关闭阀
900X-10C,900X-25C,900X-40C,900X-10P,900X-25P,900X-40P,紧急关闭阀
900X-10-DN20,900X-10-DN25,900X-16-DN32,900X-16-DN40,00X-25-DN50,900X-25-DN65,900X-25-DN400,紧急关闭阀
J041H-100-DN20,J041H-100-DN32,J041H-100-DN50,J041H-100-DN80,快速启闭阀
取消
发送询价
分享好友
了解产品首页
频道列表
我要评论