返回
排气阀
首页
>
了解产品
>
气动器材 气动阀
>
控制元件
>
排气阀
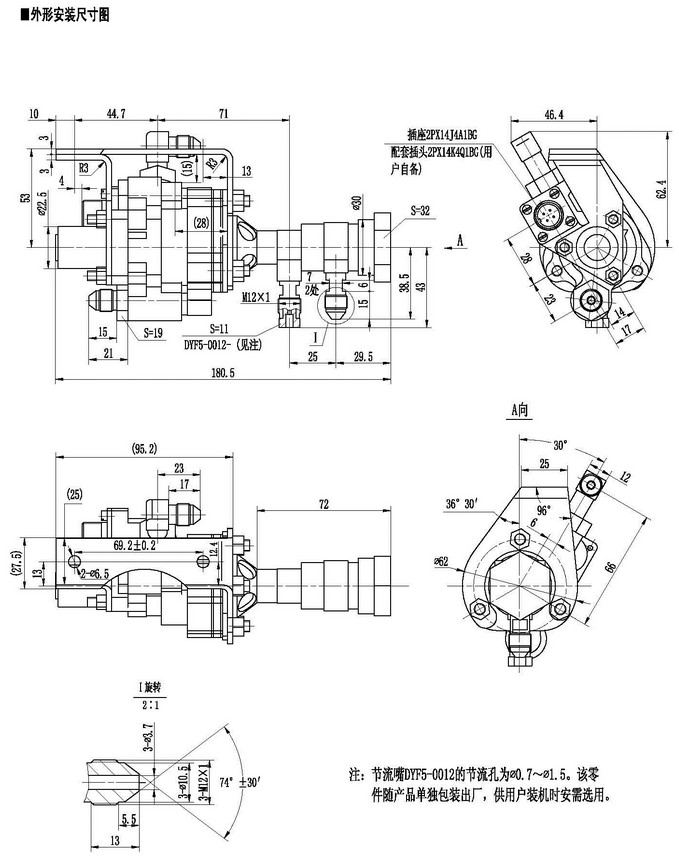
DYF-5,空气降压阀
2016-02-27 16:47
1150
信息概况
价格:
未填
型号:
DYF-5,空气降压阀
发货:
3天内
发送询价
DYF-5,空气降压阀
联系方式
姓名:销售员 1572(先生)
电话:
13861877712
传真:0510-82328771
地区:江苏-无锡市
地址:
无锡市会北路28-135
QQ:
2355802919
0
人关注
0
人点赞
举报
评分:
分
扫一扫访问当前网页
复制链接
二维码
短信
邮件
关闭
同类了解产品
KP系列快速排气阀
急速排气阀SR-02,SR-03,SR-04,SR-04-A
W-PQ21X-16T-DN15,W-PQ21X-16T-DN20,W-PQ21X-16T-DN25,排气阀
T070002030000,T070003030000,AIGNEP快速排气调节器
MX2-1/2-B00,MX2-1/2-B01,MX2-1-B00,MX3-1-B00,camozzi分气块
MC1-B-VNR,MC2-B-VNR,camozzi分气块
取消
发送询价
分享好友
了解产品首页
频道列表
我要评论