返回
压力表
首页
>
了解产品
>
仪器仪表 自动化
>
压力与隔离及控制
>
压力表
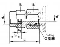
MAVE06LRA3C,MAVE08LRA3C,MAVE10LRA3C,MAVE12LRA3C,MAVE06SRA3C,对接式压力表接头
2016-02-21 13:00
669
信息概况
价格:
未填
型号:
MAVE06LRA3C,MAVE08LRA3C,MAVE10LRA3C,MAVE12LRA3C,MAVE06SRA3C,对接式压力表接头
发货:
3天内
发送询价
MAVE06LRA3C,MAVE08LRA3C,MAVE10LRA3C,MAVE12LRA3C,MAVE06SRA3C,对接式压力表接头
MAVE06SRR1/4A3C,MAVE08SRA3C,MAVE08SRR1/4A3C,MAVE10SRA3C,
MAVE10SRR1/4A3C,MAVE12SRA3C,MAVE12SRR1/4A3C,
联系方式
姓名:销售员 1625(先生)
电话:
13861877712
传真:0510-82306839
地区:江苏-无锡市
地址:
无锡市会北路28-135
QQ:
2355802919
0
人关注
0
人点赞
举报
评分:
分
扫一扫访问当前网页
复制链接
二维码
短信
邮件
关闭
同类了解产品
GS1-50,GS1-50-NCU,内置开关式压力计
EG110,EG120,EG121,内置电子开关式压力计
GP1-40,GP3-40,面板安装压力计
G1-40,G3-40,G6-40,标准型压力计
G3P-40,G3P-40-S,GP3P-40,GP3P-40-S,小型精密压力计
G1-20A,G1-20D,G1-20DPL,小型压力计
取消
发送询价
分享好友
了解产品首页
频道列表
我要评论