返回
吸油过滤器
首页
>
了解产品
>
液压辅助元件
>
液压过滤器及装置
>
吸油过滤器
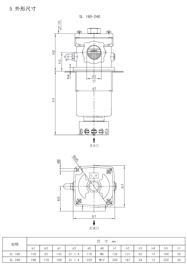
SL160,SL240,SL330,SL660,SL950,SL1300,SL1300W180FFBP,SL950P10FEBP,自封式吸油过滤器
2016-02-20 23:08
1191
信息概况
价格:
未填
型号:
SL160,SL240,SL330,SL660,SL950,SL1300,SL1300W180FFBP,SL950P10FEBP,自封式吸油过滤器
发货:
3天内
发送询价
SL160,SL240,SL330,SL660,SL950,SL1300,SL1300W180FFBP,SL950P10FEBP,自封式吸油过滤器
SL160P10LEBP,SL160P20LEBP,SL160W50LEBP,SL160W100LEBP,SL160W150LEBP,SL160W180LEBP,
SL240P10LEBP,SL240P20LEBP,SL240W50LEBP,SL240W100LEBP,SL240W150LEBP,SL240W180LEBP,
SL330P10LEBP,SL330P20LEBP,SL330W50LEBP,SL330W100LEBP,SL330W150LEBP,SL330W180LEBP,
SL660P10FEBP,SL660P20FEBP,SL660W50FEBP,SL660W100FEBP,SL660W150FEBP,SL660W180FEBP,
SL950P20FEBP,SL950W50FEBP,SL950W100FEBP,CCLAIR SL950W150FEBP,SL950W180FEBP,
SL1300P10FEBP,SL1300P20FEBP,SL1300W50FEBP,SL1300W100FEBP,SL1300W150FEBP,SL1300W180FEBP,
SL160P10LFBP,SL160P20LFBP,SL160W50LFBP,SL160W100LFBP,SL160W150LFBP,SL160W180LFBP,
SL240P10LFBP,SL240P20LFBP,SL240W50LFBP,CCLAIR SL240W100LFBP,SL240W150LFBP,SL240W180LFBP,
SL330P10LFBP,SL330P20LFBP,SL330W50LFBP,SL330W100LFBP,SL330W150LFBP,SL330W180LFBP,
SL660P10FFBP,SL660P20FFBP,SL660W50FFBP,SL660W100FFBP,SL660W150FFBP,SL660W180FFBP,
SL950P10FFBP,SL950P20FFBP,SL950W50FFBP,SL950W100FFBP,SL950W150FFBP,SL950W180FFBP,
SL1300P10FFBP,SL1300P20FFBP,SL1300W50FFBP,SL1300W100FFBP,SL1300W150FFBP,
联系方式
姓名:销售员1619(女士)
电话:
0510-82324771
传真:13861877712
地区:江苏-无锡市
地址:
无锡市会北路28-135
邮件:
4006770998@b.qq.com
QQ:
2355802921
0
人关注
0
人点赞
举报
评分:
分
扫一扫访问当前网页
复制链接
二维码
短信
邮件
关闭
同类了解产品
CXL-25x80,CXL-40x100,CXL-63x180,CXL-100x80,CXL-160x100,CXL-250x180,CXL-400x80,CXL-630x100,CXL-800x180,X-CX25x95-CX40x115-CX63x140-CX100x190-CX160x198-CX250x268-CX400x281-CX630x329-CX800x
AFF250-02,AFF250-02D,AFF250-03,AFF350-04,AFF350-04D,AFF450-04,AFF450-04D,AFF250-04,AFF250-04D,AFF350-03,AFF350-03D,AFF250-03D,主管路过滤器
¥
999.00
AMF250-02,AMF250-03,AMF250-04,AMF350-04,AMF550-10,AMF650-10,AMF650-14,AMF850-14,AMF450-04,AMF450-06,AMF550-06,AMF350-03,除臭过滤器
¥
999.00
UH209,UH209HC12AS07HGD,UE209AT,液压油过滤器 UH209HA12ATO7ZGLH,UE209AZ,过滤器滤芯
DFZBH/HC60QB10D1.X/-L24,DFZV30QB,DFZVC60QC,DFZV110QC,DFZBH/HC30QB,DFZBH/HC60QC,DFZBH/HC110QC,DFZBN/HC30QB20BM1.0,DFZ高压过滤器
HH8314C24,HH8314C32KPXB2,HC8314FKZ,8314,HH8314F24,HH8314C32,HH8314F48KTXAV1,低压过滤器
取消
发送询价
分享好友
了解产品首页
频道列表
我要评论