返回
滤芯
首页
>
了解产品
>
液压辅助元件
>
液压过滤器及装置
>
滤芯
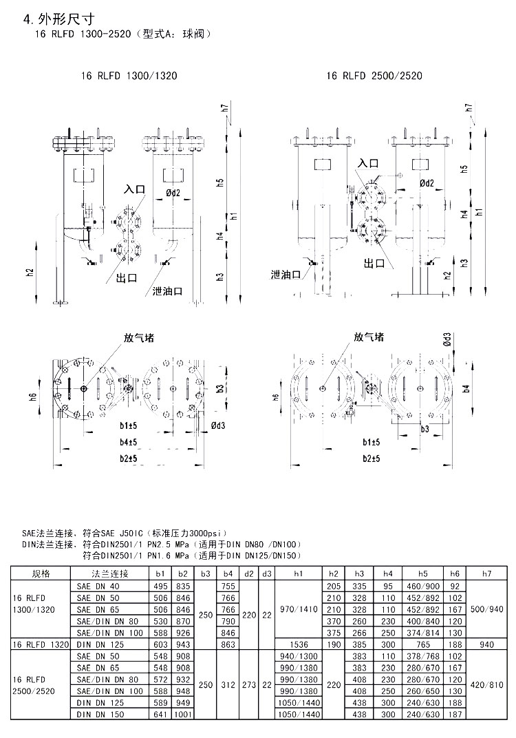
E0850R003KNB3P,E1300R003KNB3P,E1700R003KNB3P,E2600R003KNB3P,E0850R020KNB3P,过滤器滤芯
2016-02-20 20:23
1373
信息概况
价格:
未填
型号:
E0850R003KNB3P,E1300R003KNB3P,E1700R003KNB3P,E2600R003KNB3P,E0850R020KNB3P,过滤器滤芯
发货:
3天内
发送询价
E0850R003KNB3P,E1300R003KNB3P,E1700R003KNB3P,E2600R003KNB3P,E0850R020KNB3P,过滤器滤芯
E0850R003KNB3P,E0850R005KNB3P,E0850R010KNB3P,E1300R005KNB3P,E1300R010KNB3P,E1300R020KNB3P,
E1700R005KNB3P,
E1700R010KNB3P,E1700R020KNB3P,E2600R005KNB3P,E2600R010KNB3P,E2600R020KNB3P,
联系方式
姓名:销售员1619(女士)
电话:
0510-82324771
传真:13861877712
地区:江苏-无锡市
地址:
无锡市会北路28-135
邮件:
4006770998@b.qq.com
QQ:
2355802921
0
人关注
0
人点赞
举报
评分:
分
扫一扫访问当前网页
复制链接
二维码
短信
邮件
关闭
同类了解产品
AFF-EL2B,AFF-EL150,AFF-EL4B,AFF-EL250,AFF-EL8B,AFF-EL22B,AFF-EL550,AFF-EL37B,AFF-EL650,AFF-EL350,AFF-EL11B,AFF-EL450,滤芯AFF精密
¥
999.00
UE209AZ03Z,UE209AP03Z,UE209AN03Z,UE209AS03Z,UE209AT03Z,UE209AZ03H,UE209AP03H,UE209AN03H,液压油过滤器滤芯
UE319AZ08H,UE319AZ08Z,UE319AZ13H,UE319AZ13Z,UE319AZ20H,UE319AZ20Z,UE319AZ40H,UE319AZ40Z,适用于电厂L液压过滤器滤芯
HC9020FKZ,HC9021FKZ,HC9020FKP,HC9021FKP,HC9020FKN,HC9021FKN,HC9020FKS,HC9021FKS,过滤器滤芯抗燃油滤芯
HC9600F,HC9601F,HC9604F,HC9601FCS13H,HC9601FKT4H,HC9400FKP13H,HC9400FKP26H,HC9400FKP39H, HC9401FKP8H, HC9401FKP13H,油除杂质滤芯
HC9401F,HC9404F,HC9400F,HC9401FKP26Z,HC9401FCP13H,HC9401FCN13H,HC9401FCS13H,HC9401FCT13H,塑料注塑成型机滤油机滤芯
取消
发送询价
分享好友
了解产品首页
频道列表
我要评论