返回
管路过滤器
首页
>
了解产品
>
液压辅助元件
>
液压过滤器及装置
>
管路过滤器
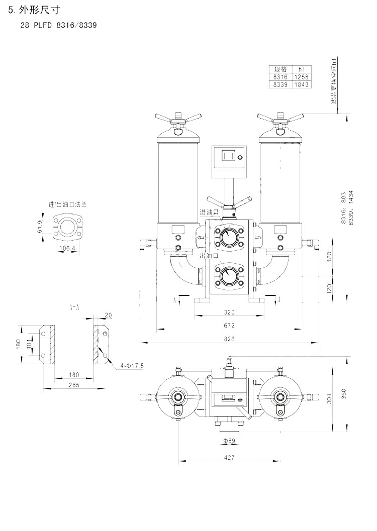
28PLFD8316,28PLFD8339,双筒管路过滤器
2016-02-17 22:34
811
信息概况
价格:
未填
型号:
28PLFD8316,28PLFD8339,双筒管路过滤器
发货:
3天内
发送询价
28PLFD8316,28PLFD8339,双筒管路过滤器
联系方式
姓名:销售员1619(女士)
电话:
0510-82324771
传真:13861877712
地区:江苏-无锡市
地址:
无锡市会北路28-135
邮件:
4006770998@b.qq.com
QQ:
2355802921
0
人关注
0
人点赞
举报
评分:
分
扫一扫访问当前网页
复制链接
二维码
短信
邮件
关闭
同类了解产品
DFDK,DFDKON30QLB5D1.0/-L24,DFDKON30QL135D1.01-L24, DFDKON240QLF10C1.1/-W,DFDKON30QLB10LE1.0/-A2,双筒管路高压过滤器
UH319,UH319CG3220ZG9X106,UE319,管路过滤器 UH319CG20AT13HBD,UE319AZ,UE319AP,UE319AS,高压过滤器
HH9020,HZ9020,9020,HC9020F,过滤器 HH9021,HZ9021,9021,HC9021F滤芯, HC9020FKZ,HC9021FKZ,HC9020FKP,HC9021FKP,
HH9660A,HH9660B,HH9660D,HH9660E,HZ9664G,HH9660K,HH9660S,HH9660G,HZ9664K,HZ9664S,稀油站高压过滤器
HH9900,HH9901,HH9904,HC9401F,HC9404F,HZ9900,HZ9901,HZ9904,HC9400F,9901-YC06,9904-YC06,高压过滤器
HH4710G20KTUBR24DC,4710,HC9600F,HC9601F,4711, HH4710C20KPSBM,HH4710S,HH4711S, HH4710,HH4711,HH4710S24,HH4711S24,过滤器
取消
发送询价
分享好友
了解产品首页
频道列表
我要评论