返回
回转夹紧缸
首页
>
了解产品
>
执行元件 液压缸
>
其他气缸
>
回转夹紧缸
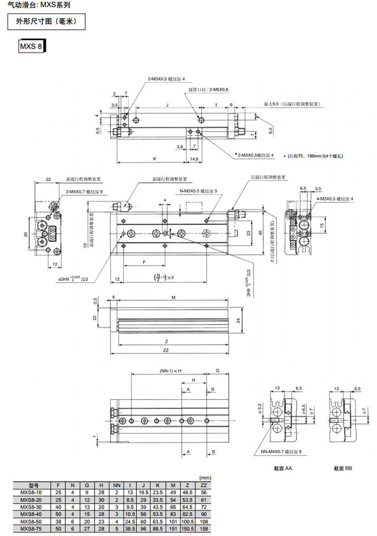
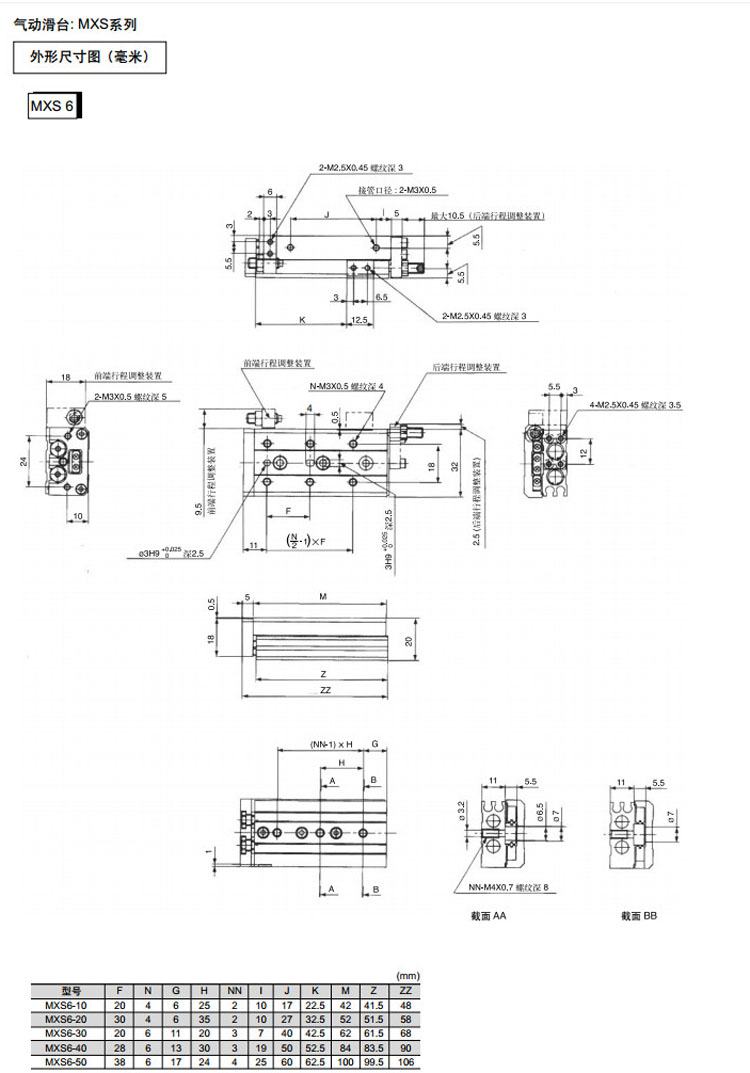
MXS6-10,MXS8-10,MXS12-10,MXS16-10,MXS20-10,MXS25-10,MXS6-20,MXS8-20,MXS12-20,SMC气动滑台气缸
2016-02-16 21:11
619
信息概况
价格:
未填
型号:
MXS6-10,MXS8-10,MXS12-10,MXS16-10,MXS20-10,MXS25-10,MXS6-20,MXS8-20,MXS12-20,
发货:
3天内
发送询价
MXS6-10,MXS8-10,MXS12-10,MXS16-10,MXS20-10,MXS25-10,MXS6-20,MXS8-20,MXS12-20,SMC气动滑台气缸
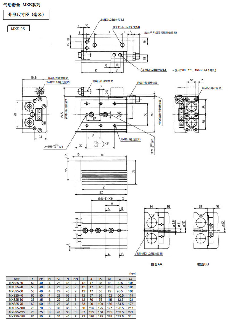
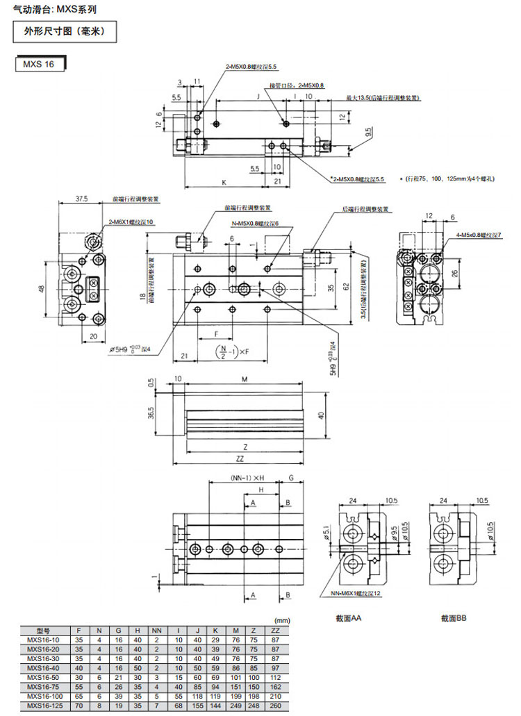
MXS6-30,MXS6-40,MXS6-50,MXS8-30,MXS8-40,MXS8-50,MXS8-75,MXS12-30,MXS12-40,MXS12-50,MXS12-75,
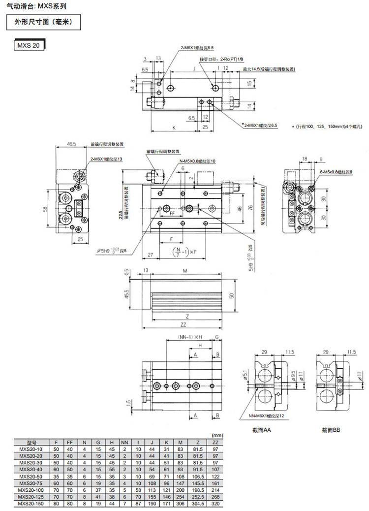
MXS12-100,MXS16-20,MXS16-30,MXS16-40,MXS16-50,MXS16-75,MXS16-100,MXS16-125,MXS20-20,MXS20-30,
MXS20-40,MXS20-50,MXS20-75,MXS20-100,MXS20-125,MXS20-150,MXS25-20,MXS25-30,MXS25-40,MXS25-50,
MXS25-75,MXS25-100,MXS25-125,MXS25-150,
联系方式
姓名:销售员1439(女士)
电话:
13861877712
传真:0510-82328771
地区:江苏-无锡市
地址:
无锡市会北路28-135
QQ:
2355802921
0
人关注
0
人点赞
举报
评分:
分
扫一扫访问当前网页
复制链接
二维码
短信
邮件
关闭
同类了解产品
回转气缸 MTH40-90,MTH40-180,MTH63-90,MTH63-180,MTH80-90,MTH80-180
回转气缸 MLH16-90,MLH16-180,MLH20-90,MLH20-180,MLH25-90,MLH25-180
PCKA-32-50,PCKA-32-75,PCKA-32-100,PCKGB-63-75,PCKGB-63-100,夹紧气缸PCK系列
AIRTAC亚德客 强力焊接夹紧气缸-附气动传感器型JCK40KA,JCK50KA,JCK63KA
AIRTAC亚德客焊接夹紧气缸-手动型JCK40*15,JCK40*15AM1R,JCK40*15AM1C,JCK40*15AM1L,JCKV40*105,JCKV40*105AM1R,JCKV40*105AM1C,JCKV40*105AM1L,JCK50*15,JCK50*15AM1R,JCK50*15AM1C,JCK50*15AM1L,JCKV50*15,JCKV50*15AM1R,JCKV50*15AM1C,JCKV50*15AM1L
AIRTAC亚德客 强力焊接夹紧气缸JCK40*15,JCK40*15AM1R,JCKV40*15,JCKV40*15AM1R,JCKV40*15AM1C,JCKV40*15AM1L JCK40*15,JCK40*15AM3R,JCK40*15AM3C,JCK40*15AM3L,JCKV40*15,JCKV40*15AM3R,JCKV40*15AM3C,JCKV40*15AM3L JCK40*30,JCK40*30AM1R,JCK40*30AM1C,JCK40*30AM1L
取消
发送询价
分享好友
了解产品首页
频道列表
我要评论