NN90-5,NN90-6,NN90-7,NN90-10,NN90-15,NN90-20,NN90-30,NN90-40,NN90-60,减速器
NN90-80,NN90-100,NN90-150,NN90-200,
NN90型步进电机/伺服电机/直流电机系列精密减速器,采用行星传动原理设计,广泛应用于各个领域,其产品特性:
结构紧凑,体积小,在现有同型号减速器中为最小;
传递扭矩大,齿轮啮**用多齿啮合,
——多齿均载,齿轮啮合无高速传动;
高压压铸铝合金机壳,新工艺,高精度,增强热传导性,
降低内部温升,减少发热;
传动效率高(>=90%),传动功率大,径向承载能力高,
实现单级系列传动;
速比范围:速比5~10000,使应用设计达到最佳的转矩
与转速匹配;
回差间隙小,传递精度高;
密封设计良好,全部使用润滑脂润滑,不泄漏,免保养;
安装简便,同轴输出,标准法兰定位,适用于任何厂商和形式的电机;
噪音低,< 65分贝;寿命长,>20000小时;
性价比高,同等精度,市场价格最低;

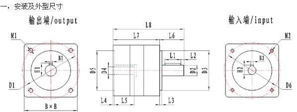
|
型 号 |
|
|
NN90 |
| B |
壳体尺寸 |
92×92 |
| B1 |
输出键尺寸 |
6×6 |
| B2 |
输入键尺寸 |
5×5 |
| M1 |
输出端安装螺纹 |
M8×20 |
| M2 |
输入端安装螺纹 |
M6×15 |
| H1 |
输出端输出轴高 |
22.5 |
| H2 |
输入端输入轴高 |
16.5 |
| D1 |
输出端安装孔分布圆 |
100 |
| D2 |
输出轴直径 |
20 |
| D3 |
输出端定位止口直径 |
80 |
| D4 |
输入端孔直径 |
14 |
| D5 |
输入端定位圆直径 |
73 |
| D6 |
输入端安装孔分布圆直径 |
100 |
| L1 |
输出端键长 |
28 |
| L2 |
输出端键到轴端距离 |
5 |
| L3 |
输出端定位止口厚度 |
4 |
| L4 |
输入端电机定位深度 |
2.5 |
| L5 |
输入端电机轴长 |
40 |
| L6 |
输出端轴长(自安装面) |
40 |
| L7 |
躯 体 长 |
82 |
| L8 |
减速器总长 |
122 |
注:a,以上尺寸单位为mm。具体参数以实物为准。
b,各型号减速器输入输出的安装及连接尺寸均可根据用户要求定制。
二,基本技术参数
| 型 号 |
NN90 |
减速比 |
|
额定输出扭矩
N.m
|
55 |
5 |
| 60 |
6 |
| 60 |
7 |
| 70 |
10 |
| 70 |
15 |
| 90 |
20 |
| 90 |
30 |
| 100 |
40 |
| 100 |
60 |
| 100 |
80 |
| 120 |
100 |
| 120 |
150 |
| 120 |
200 |
| 极限扭矩 |
1.5~2倍的额定输出扭矩 |
注:可根据用户需求提供5至10000任一减速比的减速器。
| 产品型号 |
|
NN90 |
| 最大径向力 |
N |
910 |
| 最大轴向力 |
N |
580 |
| 满载效率 |
% |
>90% |
| 平均寿命 |
h |
>20000(h) |
| 重 量 |
Kg |
2.8 |
| 回 差(标准/精密) |
Arcmin |
≤12 / 5 |
| 噪 音 |
dB(A) |
≤65 |
| 最大输入速度 |
Min-1 |
4500 |
| 额定输入速度 |
Min-1 |
2500 |
| 扭转刚度 |
N.m/Arcmin |
4.5 |
| 旋转方向 |
|
与输入相反 |
| 润 滑 |
|
免维护 |
| 防护等级 |
|
IP55 |
| 安装方向 |
|
任意 |