返回
单向阀
首页
>
了解产品
>
液压元件 液压阀
>
压力控制阀
>
单向阀
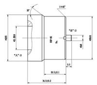
RXF-95,单向活门
2016-01-31 16:21
899
信息概况
价格:
未填
型号:
RXF-95,单向活门
发货:
3天内
发送询价
RXF-95,单向活门
联系方式
姓名:销售员 1572(先生)
电话:
13861877712
传真:0510-82328771
地区:江苏-无锡市
地址:
无锡市会北路28-135
QQ:
2355802919
0
人关注
0
人点赞
举报
评分:
分
扫一扫访问当前网页
复制链接
二维码
短信
邮件
关闭
同类了解产品
VU-G1/4-VU-G3/8-VU-G1/2-VU-G3/4-VU-G1-VU-G11/4-VU-G11/2-VU-G2-VU-08-G1/4-VU-10-G3/8-VU-12-G1/2-VU-16-G3/4-VU-20-G1-VU-25-G11/4-VU-30-G11/2-VU-40-G2-VU-NPT1/4,VU-NPT3/8,VU-NPT1/2,VU-NPT3/4,VU-NPT1,VU-NPT11/4,VU-NPT11/2,VU-NPT2单向阀
M-SR8KE,M-SR10KE,M-SR15KE,M-SR20KE,M-SR25KE,M-SR30KE,WSR8KE(VTOZ)WSR10KE(VTOZ)WSR15KE(VTOZ)WSR20KE(VTOZ)WSR25KE(VTOZ)WSR30KE(VTOZ)单向阀
BS4A1/1,BS6A1/1NPT1/4,BS6A1/1,BS8A1/1,BS10A1/1,BS10A1/1NPT1/2,BS15A1/1,BS20A1/1,XS4A1/1,XS6A1/1,XS8A1/1,XS10A1/1,BS4A1/1M10,BS6A1/1M16,NS4A1/1,NS6A1/1,WS6A1/1,NS8A1/1,WS8A1/1,NS10A1/1,WS10A1/1单向阀
VBPSL1/4”VBPSL3/8”VBPSL1/2”VBPSE1/4”A,VBPSE3/8”A,VBPSE1/2”A,VBPSE1/4”FL,VBPSE3/8”FL,VBPSE1/2”FL,VBPSE1/4”L4VIE,VBPSE3/8”L4VIE,VBPSE1/2”L4VIE,VBPSE3/8”4VIE,VBPSE1/2”4VIE,VBPSE3/4”4VIE单向阀
CV-G03-05-20,CV-G03-50-20,CV-G06-05-20,CV-G06-50-20,CV-G10-05-20,CV-G10-50-20,CV-03G-05,CV-03G-50,CV-06G-05,CV-06G-50,CV-10G-05,CV-10G-50,CV-03T-05,CV-03T-50,CV-04T-05,CV-04T-50,CV-06T-05,CV-06T-50,CV-08T-05,CV-08T-50,CV-10T-05,CV-10T-50单向阀
DFA1/DFA3-10G/15T/20N/25K/32K2/40F/50F2 DFA2-10H1/15H2/20H3/25H4/32H5/40H6/50H7/50H8DFA单向阀
取消
发送询价
分享好友
了解产品首页
频道列表
我要评论