返回
电磁铁/线圈
首页
>
了解产品
>
液压辅助元件
>
液压辅助元件
>
电磁铁/线圈
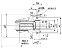
CT-48B,电磁铁
2016-01-31 13:39
906
信息概况
价格:
未填
型号:
CT-48B,电磁铁
发货:
3天内
发送询价
CT-48B,电磁铁
联系方式
姓名:销售员 1572(先生)
电话:
13861877712
传真:0510-82328771
地区:江苏-无锡市
地址:
无锡市会北路28-135
QQ:
2355802919
0
人关注
0
人点赞
举报
评分:
分
扫一扫访问当前网页
复制链接
二维码
短信
邮件
关闭
同类了解产品
Best-nr0200,Best-nr0200M,4V110-C,4V210-W,4V210-C,DZT-022,EVI7/9,SRS2-5D,SRS2-8D,710,3130,3130E,0543 001-00,0545 001-0015802,BD-A,BD-B,BD-C,VX2120,2W-13MM,2W-16MM,2W-20MM,2W-16F,AB310,AB310E,AB410,AB410E,AB510,16431,16432防爆电磁阀
XKL-A-0911,XKL-B-1121,XKL-B-1231,XKL-C-1341,XKL-C-1451,XKL-E-2081,XKL-D-1661,XKL-D-1871防爆电磁阀
BZZ1-E50,BZZ2-E50,BZZ3-E50,BZZ1-E63,BZZ2-E63,BZZ3-E63,BZZ1-E80,BZZ2-E80,BZZ3-E80,BZZ1-E100,BZZ2-E100,BZZ3-E100,BZZ全液压转向器
EC-19A-220-D-E-B,EC-19A-220-D-D-B,winner线圈
EC-19A-220-F-E-B,EC-19A-220-F-D-B,winner线圈
EC-19A-220-B-E-B,EC-19A-220-B-D-B,winner线圈
取消
发送询价
分享好友
了解产品首页
频道列表
我要评论