返回
平衡阀
首页
>
了解产品
>
阀门 流体控制
>
水力控制阀
>
平衡阀
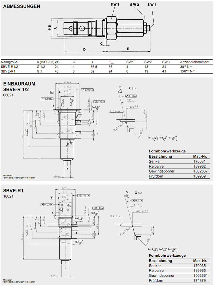
SBVE-R1-01X,SBVE-R1/2-01X,HYDAC反平衡阀
2016-01-31 13:14
807
信息概况
价格:
未填
型号:
SBVE-R1-01X,SBVE-R1/2-01X
发货:
3天内
发送询价
SBVE-R1-01X,SBVE-R1/2-01X,HYDAC反平衡阀
联系方式
姓名:销售员1642(女士)
电话:
13861877712
传真:0510-82328771
地区:江苏-无锡市
地址:
无锡市会北路28-135
QQ:
2355802919
0
人关注
0
人点赞
举报
评分:
分
扫一扫访问当前网页
复制链接
二维码
短信
邮件
关闭
同类了解产品
CHF-10A,CHF-13B,,CHF-20C,CHF-14B,CHF-23A,CHF-32A,CHF-34A,CHF-35C,CHF,差压安全平衡阀
VPA-DN50,VPA-DN65,VPA-DN80,VPA-DN100,VPA-DN125,VPA-DN150,VPA,动态平衡阀
VPD-DN15,VPD-DN20,VPD-DN25,VPD-DN32,VPD-DN40,VPD,固定流量动态平衡阀
VPD-DN50,VPD-DN65,VPD-DN80,VPD-DN100,VPD-DN125,VPD-DN150,VPD,对夹式固定流量动态平衡阀
VBCD-G1/4-SEA,VBCD-G3/8-SEA,VBCD-G1/2-SEA,VBCD-SEA,单向平衡阀
VBCD-G3/8-SEFL,VBCD-G1/2-SEFL,VBCD-G3/8-SE-FL,VBCD-G1/2-SE-FL,VBCD-SE-FL,单向平衡阀
取消
发送询价
分享好友
了解产品首页
频道列表
我要评论