返回
马达
首页
>
了解产品
>
油泵 齿轮泵 组合泵
>
液压马达/气动马达
>
马达
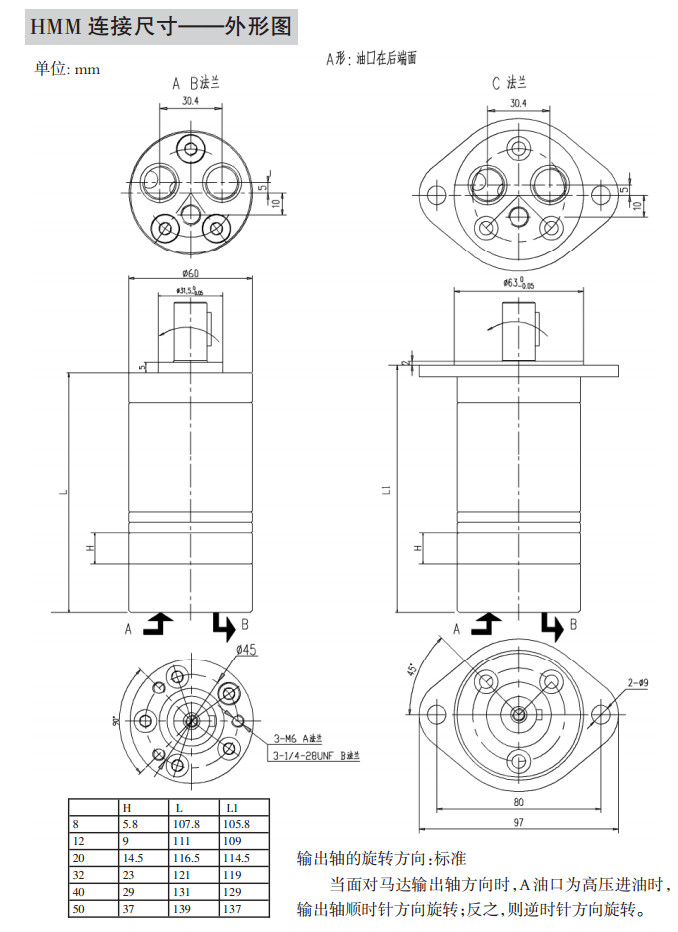
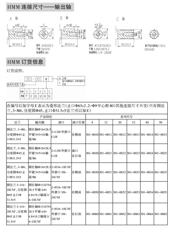
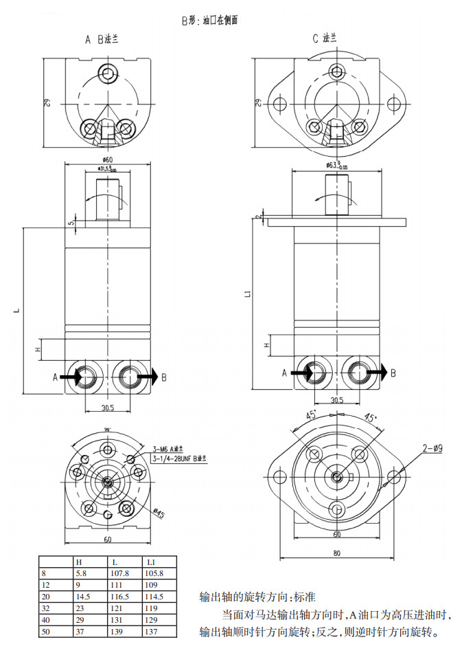
HMM-8,HMM-12,HMM-20,HMM-32,HMM-40,HMM-50,马达
2016-01-30 14:30
1030
信息概况
价格:
未填
型号:
HMM-8,HMM-12,HMM-20,HMM-32,HMM-40,HMM-50,马达
发货:
3天内
发送询价
HMM-8,HMM-12,HMM-20,HMM-32,HMM-40,HMM-50,马达
联系方式
姓名:销售员 1645(先生)
电话:
13861877712
传真:0510-82306839
地区:江苏-无锡市
地址:
无锡市会北路28-135
QQ:
2355802921
0
人关注
0
人点赞
举报
评分:
分
扫一扫访问当前网页
复制链接
二维码
短信
邮件
关闭
同类了解产品
BM4-490/390/500,BM4系列马达
BM3-100/125/160/200/250/315/400 BM3马达
HMR55/75/105/165/210 HMR马达
HMP50/63/80/100,HMP系列马达
HMM8/12.5/20/32/40/50,HMM系列马达
HMSJ-80/100/125/160/200/250/315/400/475.HMSJ系列马达
取消
发送询价
分享好友
了解产品首页
频道列表
我要评论