返回
止回阀
首页
>
了解产品
>
液压元件 液压阀
>
流量控制阀
>
止回阀
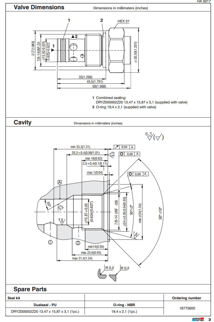
SC1F-B2/005,SC1F-B2/015,SC1F-B2/035,SC1F-B2/050,SC1F-B2/070,止回阀
2016-01-30 09:39
620
信息概况
价格:
未填
型号:
SC1F-B2/005,SC1F-B2/015,SC1F-B2/035,SC1F-B2/050,SC1F-B2/070
发货:
3天内
发送询价
SC1F-B2/005,SC1F-B2/015,SC1F-B2/035,SC1F-B2/050,SC1F-B2/070,止回阀
联系方式
姓名:销售员1634(女士)
电话:
13861877712
传真:0510-82328771
地区:江苏-无锡市
地址:
无锡市会北路28-135
QQ:
2355802921
0
人关注
0
人点赞
举报
评分:
分
扫一扫访问当前网页
复制链接
二维码
短信
邮件
关闭
同类了解产品
CCV-102/122/162/T16/T18,CCV/CCL-062/092/082,CCN-082/102/122止回阀系列
CCV/CCL-062/092/082-X0.2N,止回阀CCV/CCL
CCN-082/102/122-L0.2N,限流止回阀
CCV-102/122/162/T16/T18,CCV/CCL-062/092/082,CCN-082/102/122止回阀系列
CCV/CCL-062/092/082-X0.2N,止回阀CCV/CCL
CCN-082/102/122-L0.2N,限流止回阀
取消
发送询价
分享好友
了解产品首页
频道列表
我要评论