返回
阀组
首页
>
了解产品
>
液压元件 液压阀
>
其他液压元件
>
阀组
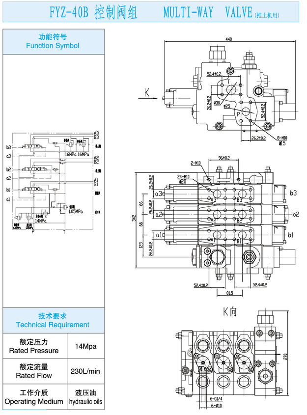
FYZ-40B,控制阀组
2016-01-30 09:25
888
信息概况
价格:
未填
型号:
FYZ-40B,控制阀组
发货:
3天内
发送询价
FYZ-40B,控制阀组
联系方式
姓名:销售员 1572(先生)
电话:
13861877712
传真:0510-82328771
地区:江苏-无锡市
地址:
无锡市会北路28-135
QQ:
2355802919
0
人关注
0
人点赞
举报
评分:
分
扫一扫访问当前网页
复制链接
二维码
短信
邮件
关闭
同类了解产品
XB-03,16通径阀组
XB-04,20通径阀组
CV3P-ONE3LE/D1,CV1G-ONE3L,CV3P-ONE,CV3P-ONF,阀组
V8074-T06-02,V8074-T06-05,V8074-T06-06,V8074-T06-07,V8074-T06-01-N-05-D24-DG-35,HYDROMAX插入式電磁升降閥
V6274-T06-02,V6274-T06-05,V6274-T06-06,V6274-T06-07,V6274-T06-01-N-05-D24-DG-35,HYDROMAX插入式電磁升降閥
V6074-T06-02,V6074-T06-05,V6074-T06-06,V6074-T06-07,V6074-T06-01-N-05-D24-DG-35,HYDROMAX插入式電磁升降閥
取消
发送询价
分享好友
了解产品首页
频道列表
我要评论